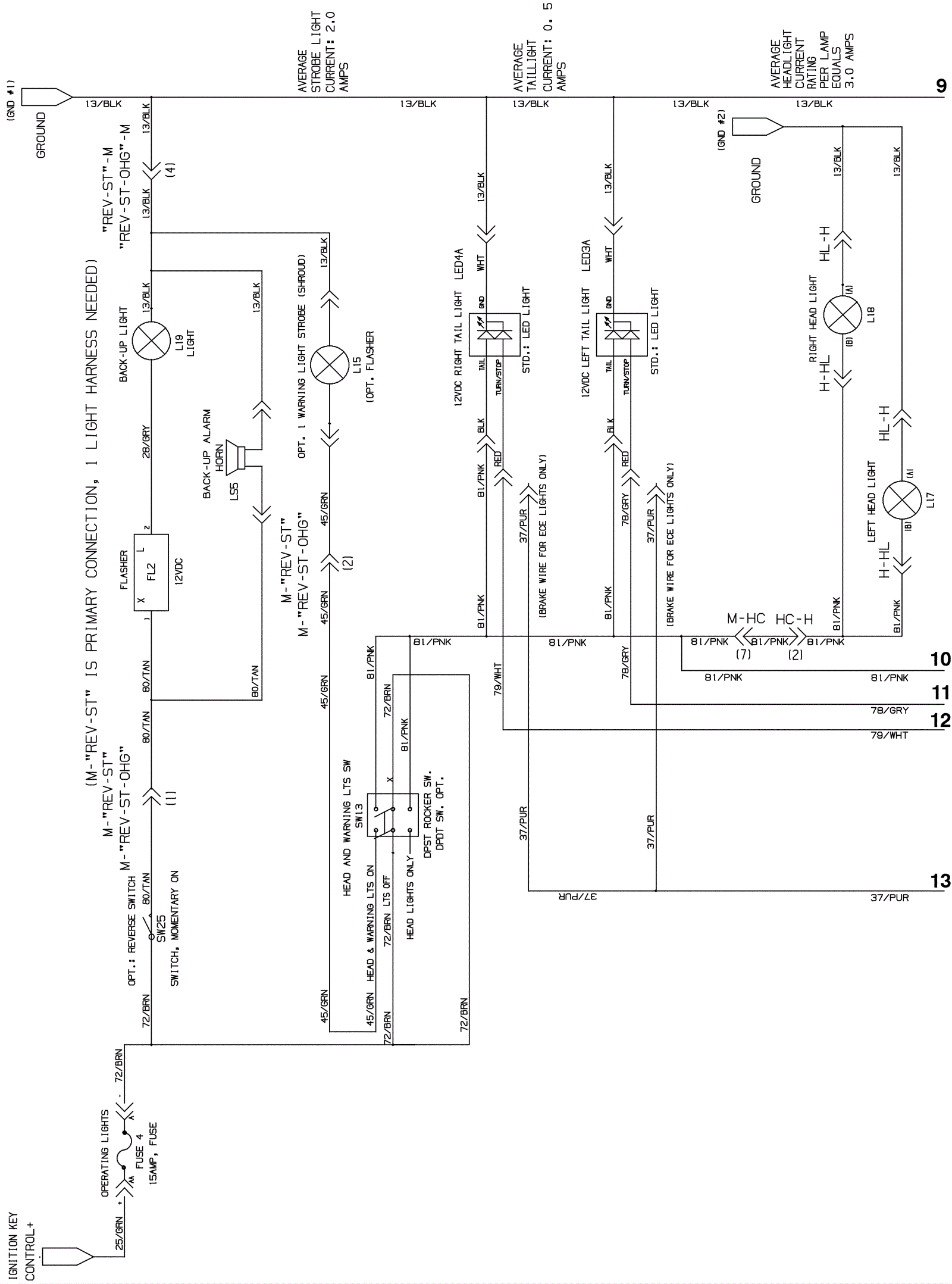
Electrical Wiring Diagram 5
Click to enlarge