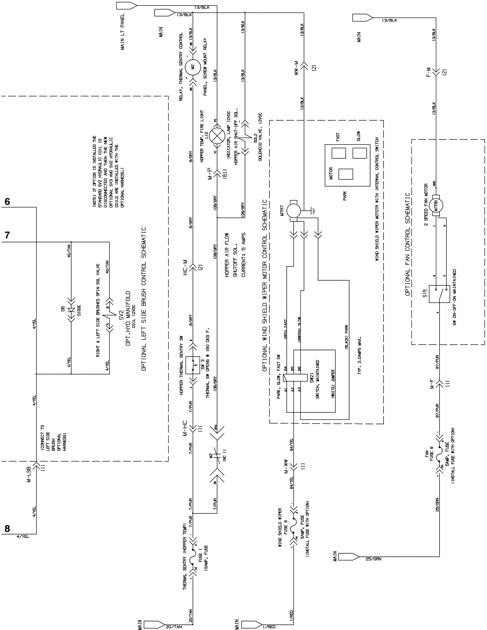
Electrical Wiring Diagram 4
Click to enlarge