| # | Part | Description | Price | Req | Notes | Availability |
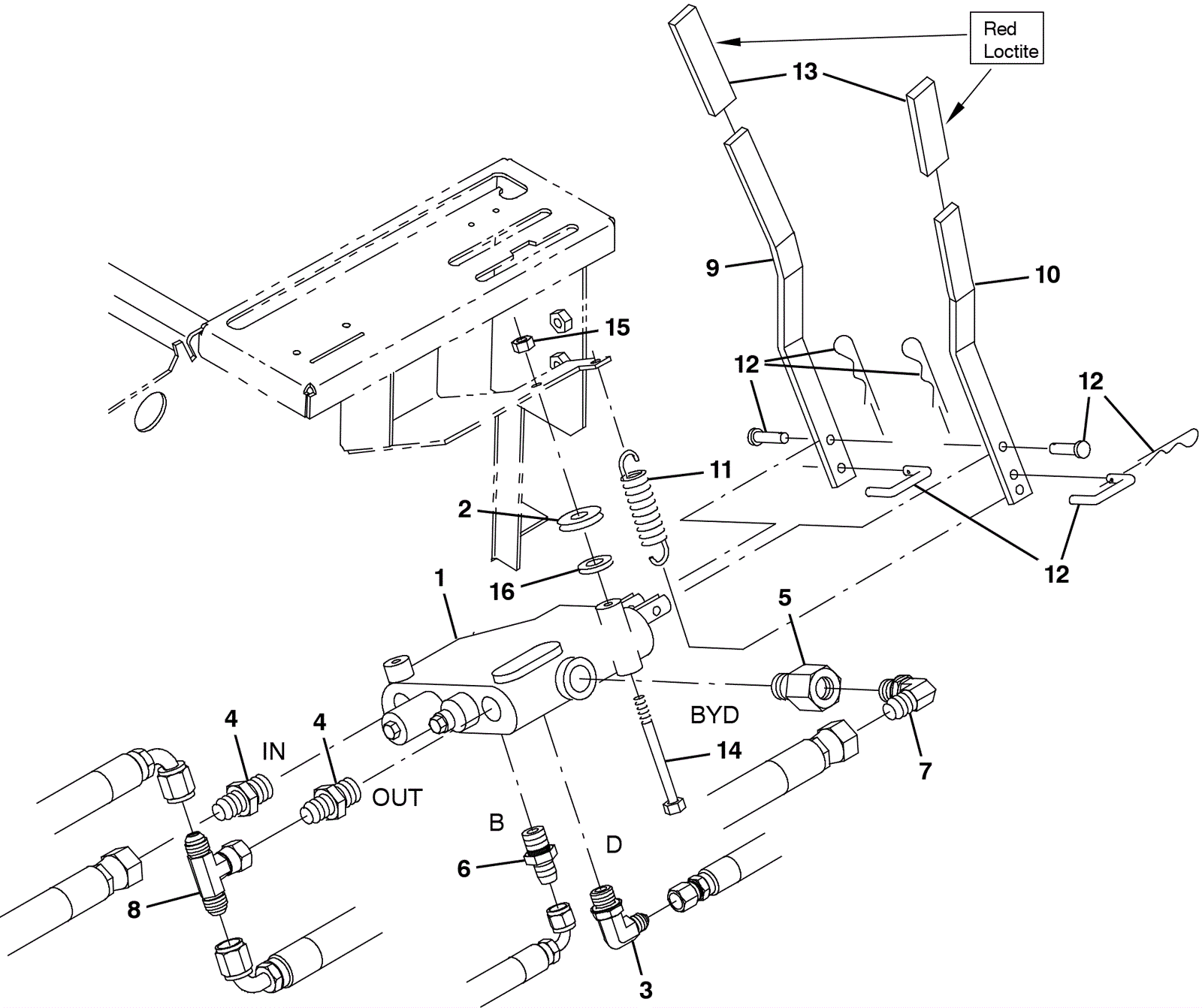
1 |
675-6620
|
VALVE, HYD, MNL, 2SPOOL 0100PSI 10GPM (Tennant Industrial) |
$1,217.41
|
1 |
|
usually ships 10-13 days |
2 |
175-2896
|
Washer 5/16 |
$4.49
|
2 |
|
usually ships 10-13 days |
3a |
275-2939
|
FITTING, HYD, E90, JM04/OM06 (Tennant Industrial) |
$29.01
|
1 |
(before SN 003000) |
usually ships 1-5 days |
3b |
575-4094
|
FITTING, HYD, E90, FM04/OM06 (Tennant Industrial) |
$42.51
|
1 |
(after SN 002999) |
usually ships 10-13 days |
4a |
575-0976
|
FITTING, HYD, STR, JM06/OM08 (Tennant Industrial) |
$16.67
|
2 |
(before SN 003000) |
usually ships 10-13 days |
4b |
575-0304
|
FITTING, HYD, STR, FM06/OM08 (Tennant Industrial) |
$12.34
|
2 |
(after SN 002999) |
usually ships 10-13 days |
5 |
575-7447
|
VR, PLUG ASSY, HYD (Tennant Industrial) |
$111.52
|
1 |
|
usually ships 10-13 days |
6a |
175-6968
|
FITTING, HYD, STR, JM04/OM06 (Tennant Industrial) |
$12.50
|
1 |
(before SN 003000) |
usually ships 1-5 days |
6b |
575-1412
|
FITTING, HYD, STR, FM04/OM06 (Tennant Industrial) |
$20.00
|
1 |
(after SN 002999) |
usually ships 10-13 days |
7a |
175-7214
|
Hydraulic fitting |
$14.63
|
1 |
(before SN 003000) |
usually ships 1-5 days |
7b |
575-3050
|
FITTING, HYD, E90, FM06/OM06 (Tennant Industrial) |
$33.51
|
1 |
(after SN 002999) |
usually ships 10-13 days |
8a |
575-1385
|
FITTING, HYD, TEE, JF06/JM06/JM06, BR (Tennant Industrial) |
$19.84
|
1 |
(before SN 003000) |
usually ships 10-13 days |
8b |
575-1501
|
FITTING, HYD, TEE, F06/FM06/FM06, BR (Tennant Industrial) |
$22.17
|
1 |
(after SN 002999) |
usually ships 10-13 days |
9 |
575-4087
|
HANDLE, CNTRL, VALVE (Tennant Industrial) |
$44.84
|
1 |
|
usually ships 10-13 days |
10 |
575-4778
|
HANDLE, CNTRL, VALVE (Tennant Industrial) |
$53.84
|
1 |
|
usually ships 10-13 days |
11 |
575-0098
|
SPRING, EXTN, 0.38OD 0.05WIR 02.5L (Tennant Industrial) |
$11.17
|
1 |
|
usually ships 10-13 days |
12 |
575-5959
|
LINK ASSY, VALVE HANDLE (Tennant Industrial) |
$71.68
|
1 |
|
usually ships 10-13 days |
13 |
175-6834
|
GRIP, VYL (Tennant Industrial) |
$9.84
|
2 |
|
usually ships 1-5 days |
14 |
275-0417
|
Screw M6-1 x 50 hex head |
$4.36
|
2 |
|
usually ships 1-5 days |
15 |
999-0469
|
Nut M6-1 nylon insert lock zinc plated |
$1.32
|
2 |
|
ships same day |
16 |
999-0024
|
Washer 5/16 flat stainless steel |
$1.34
|
2 |
|
ships same day |