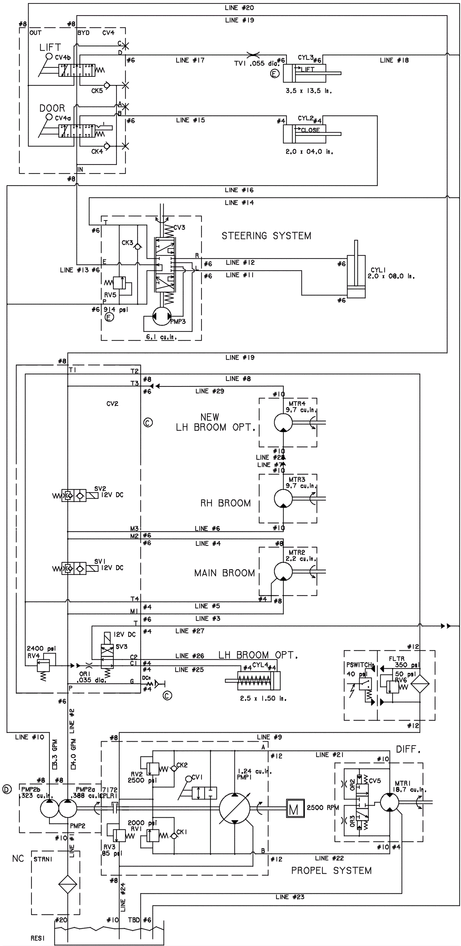
Hydraulic Wiring Diagram
Click to enlarge