| # | Part | Description | Price | Req | Notes | Availability |
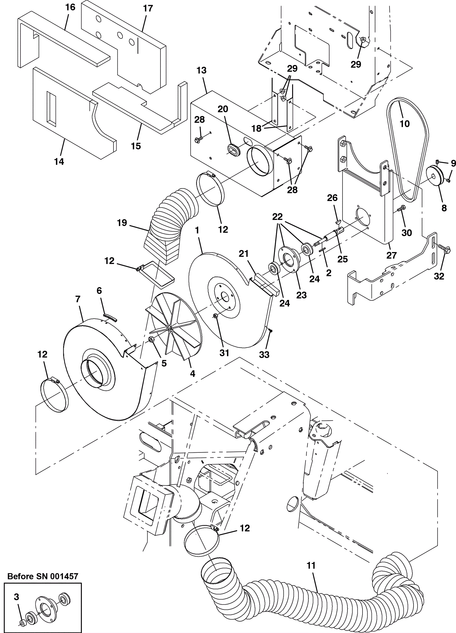
1 |
575-8174
|
HOUSING, FAN, REAR, IMPELLER (Tennant Industrial) |
$121.19
|
1 |
|
usually ships 10-13 days |
2 |
175-4202
|
Square keyway |
$5.28
|
1 |
|
usually ships 10-13 days |
3 |
175-9155
|
Spacer |
$15.40
|
1 |
(before SN 001457) |
usually ships 1-5 days |
4 |
275-8520
|
IMPELLER, 9.00D X 1.40W X 0.376B (Tennant Industrial) |
$212.88
|
1 |
|
usually ships 1-5 days |
5a |
175-9286
|
Nut 5/16 x 24 hex flex lock thin plated |
$5.28
|
1 |
(before SN 001457) |
usually ships 1-5 days |
5b |
275-9098
|
NUT, HEX, FLEXLOCK, .38-24 (Tennant Industrial) |
$13.17
|
1 |
(after SN 001456) |
usually ships 1-5 days |
6 |
475-9684
|
MOLDING, TRIM, PVC, .00-.06 02.2L (Tennant Industrial) |
$11.34
|
1 |
|
usually ships 10-13 days |
7 |
675-1563
|
HOUSING WLDT, FAN (Tennant Industrial) |
$268.05
|
1 |
|
usually ships 10-13 days |
8a |
275-8515
|
SHEAVE, 01GRV, 02.6PD 0.63B [3V] (Tennant Industrial) |
$118.19
|
1 |
(before SN 001335) |
usually ships 1-5 days |
8b |
275-8515
|
SHEAVE, 01GRV, 02.6PD 0.63B [3V] (Tennant Industrial) |
$118.19
|
1 |
(after SN 001334) |
usually ships 1-5 days |
9a |
999-0104
|
Screw 5/16-18 x 1/2 socket head alloy plain finish |
$0.99
|
2 |
(before SN 001335) |
ships same day |
9b |
475-9185
|
SCREW, SET, SOC, .25-20 X 0.75, AL (Tennant Industrial) |
$6.67
|
2 |
(after SN 001334) |
usually ships 10-13 days |
10 |
575-5410
|
BELT, V, 37.5L [3V, 3VX] (Tennant Industrial) |
$63.01
|
1 |
|
usually ships 10-13 days |
11 |
675-1883
|
HOSE, FLEX, VACUUM, 04.0D, 050.0L (Tennant Industrial) |
$260.89
|
1 |
|
usually ships 10-13 days |
12 |
175-7146
|
Wormdrive clamp (Tennant Industrial) |
$9.84
|
4 |
|
usually ships 10-13 days |
13 |
575-8662
|
BOX WLDT, MUFFLER, VACFAN (Tennant Industrial) |
$132.69
|
1 |
|
usually ships 10-13 days |
14 |
575-0935
|
INSULATION, ACSTC, 0.5, 08.1 X 14.6 NTCH (Tennant Industrial |
$17.67
|
1 |
|
usually ships 10-13 days |
15 |
475-9772
|
INSULATION, ACSTC, 0.5, 03.3 X 20.6 NTCH (Tennant Industrial |
$11.00
|
1 |
|
usually ships 10-13 days |
16 |
475-9773
|
INSULATION, ACSTC, 0.5, 03.3 X 21.3 NTCH (Tennant Industrial |
$11.00
|
1 |
|
usually ships 10-13 days |
17 |
575-1552
|
INSULATION, ACSTC, 1.0, 07.9 X 14.3 HOLE (Tennant Industrial |
$24.00
|
1 |
|
usually ships 10-13 days |
18 |
575-1595
|
ANGLE, BAFFLE (Tennant Industrial) |
$25.01
|
2 |
|
usually ships 10-13 days |
19 |
575-5346
|
HOSE, FLEX, VACUUM, 04.0D, 010.5L 4X2END (Tennant Industrial |
$59.01
|
1 |
|
usually ships 10-13 days |
20 |
175-0840
|
Rubber grommet |
$5.50
|
1 |
|
usually ships 1-5 days |
21 |
575-2548
|
SEAL, URE, 0.50, 0.75W 04.0L ADH (Tennant Industrial) |
$31.01
|
1 |
|
usually ships 10-13 days |
22 |
275-8517
|
SHAFT ASSY, BRG (Tennant Industrial) |
$404.08
|
1 |
(includes 23-25) |
usually ships 1-5 days |
23 |
275-8511
|
Flange bearing housing |
$87.01
|
1 |
|
usually ships 1-5 days |
24 |
275-8518
|
Ball bearing |
$39.93
|
2 |
|
usually ships 10-13 days |
25 |
275-8512
|
SHAFT, IMPELLER |
$130.68
|
1 |
|
usually ships 1-5 days |
26 |
175-3198
|
Woodruff key |
$4.49
|
1 |
|
usually ships 1-5 days |
27 |
675-0559
|
CHANNEL WLDT (Tennant Industrial) |
$207.54
|
7 |
|
usually ships 10-13 days |
28 |
999-1312
|
Screw M6-1 x 20mm hex head stainless steel |
$0.99
|
5 |
|
ships same day |
29 |
999-6694
|
Nut M6-1 hex serrated flange stainless steel |
$0.99
|
7 |
|
ships same day |
30 |
999-0502
|
Bolt M6-1 x 20mm hex head full thread zinc |
$0.99
|
4 |
|
ships same day |
31 |
999-0469
|
Nut M6-1 nylon insert lock zinc plated |
$1.32
|
4 |
|
ships same day |
32 |
275-2690
|
Screw M10-1 1/2 x 35mm hex head (Tennant Industrial) |
$6.67
|
4 |
|
usually ships 1-5 days |
33 |
275-8522
|
SCREW, HEX, 06-20 X 0.50, FMG/AB, PL (Tennant Industrial) |
$4.17
|
9 |
|
usually ships 1-5 days |