| # | Part | Description | Price | Req | Notes | Availability |
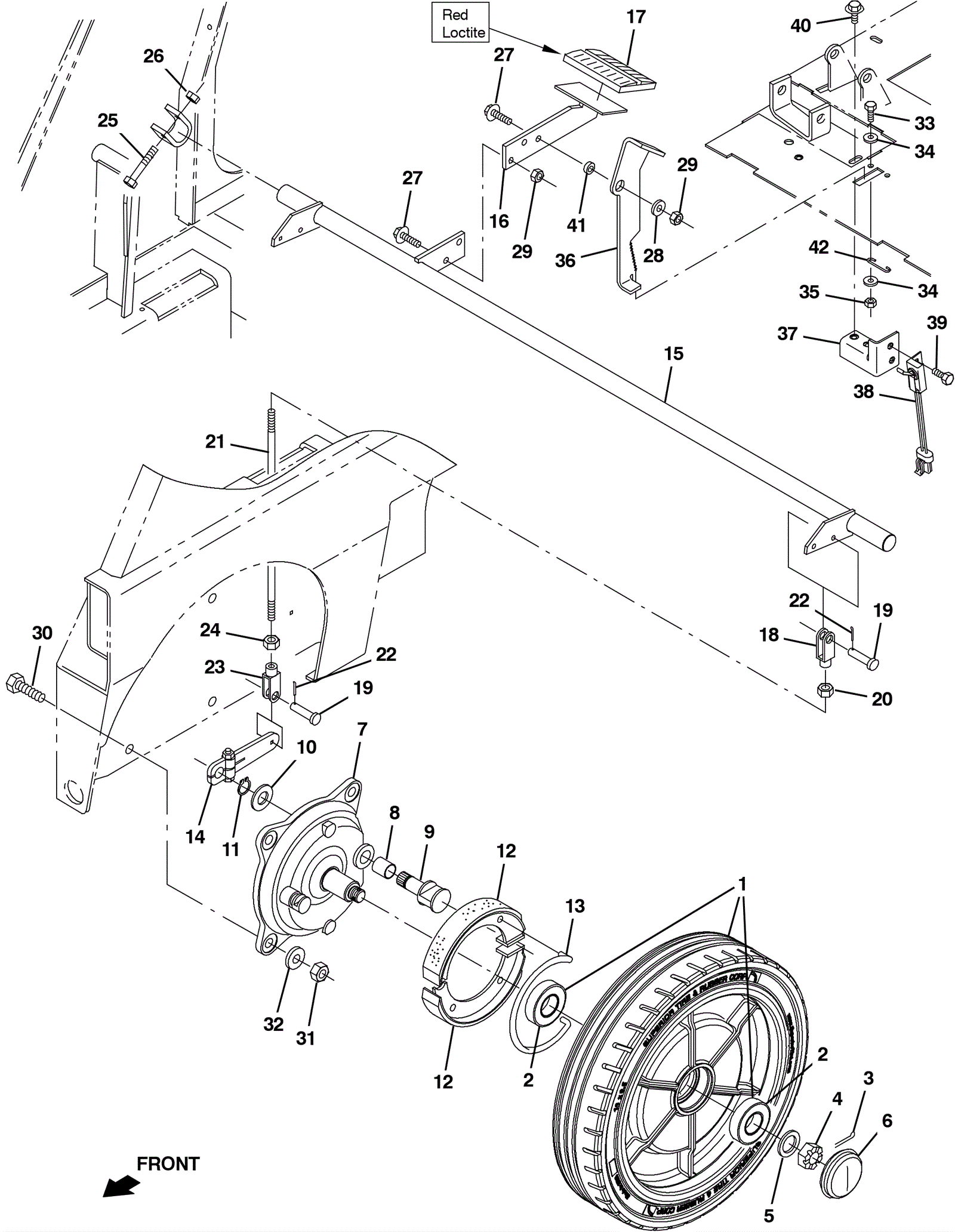
1 |
275-4282
|
TIRE, SOLID, NON-SKID, 16.0X3.5X12.12 (Tennant Industrial) |
$585.78
|
2 |
(includes item 2) |
ships same day |
2 |
275-2032
|
BEARING, BALL, 1.18B 2.44D 0.63W (Tennant Industrial) |
$33.01
|
2 |
|
usually ships 1-5 days |
3 |
175-3281
|
Cotter pin |
$3.30
|
2 |
|
usually ships 10-13 days |
4 |
275-2039
|
NUT, HEX, SLTD, .75-16 (Tennant Industrial) |
$13.50
|
2 |
|
usually ships 1-5 days |
5 |
275-0810
|
Washer |
$5.50
|
2 |
|
usually ships 1-5 days |
6 |
175-0641
|
CAP, HUB, DUST, 2.57D 0.77L (Tennant Industrial) |
$22.34
|
2 |
|
usually ships 1-5 days |
7a |
275-2033
|
BRAKE ASSY (Tennant Industrial) |
$878.01
|
2 |
(includes 7b-13) |
usually ships 1-5 days |
7b |
275-2034
|
VR, PLATE, BACKING, BRAKE (Tennant Industrial) |
$458.26
|
1 |
|
usually ships 1-5 days |
8 |
175-9960
|
Bushing |
$22.44
|
1 |
|
usually ships 1-5 days |
9 |
275-2035
|
VR, CAM, PLT, BRAKE [NICKEL] (Tennant Industrial) |
$129.53
|
1 |
|
usually ships 1-5 days |
10 |
175-9990
|
Washer M21-37 x 3 flat |
$5.61
|
1 |
|
usually ships 10-13 days |
11 |
175-9991
|
Retainer ring |
$4.62
|
1 |
|
usually ships 10-13 days |
12 |
175-9992
|
Brake shoe |
$90.64
|
2 |
|
usually ships 1-5 days |
13 |
175-9993
|
Brake return spring |
$24.31
|
1 |
|
usually ships 1-5 days |
14 |
375-3642
|
Brake lever arm (Tennant Industrial) |
$136.19
|
2 |
|
usually ships 10-13 days |
15 |
675-0617
|
SHAFT WLDT, BRAKE (Tennant Industrial) |
$210.71
|
1 |
|
usually ships 10-13 days |
16 |
575-2997
|
PEDAL WLDT, BRAKE (Tennant Industrial) |
$39.51
|
1 |
|
usually ships 10-13 days |
17 |
175-3279
|
Pedal pad |
$32.78
|
1 |
|
usually ships 10-13 days |
18a |
375-9048
|
Linkage brake kit (Tennant Industrial) |
$679.64
|
2 |
(includes 18b-24) |
usually ships 10-13 days |
18b |
275-8412
|
CLEVIS, ADJ, 0.25PIN, 0.25-28 RH, PL (Tennant Industrial) |
$15.67
|
1 |
|
usually ships 1-5 days |
19 |
175-9987
|
Clevis pin 1/4 x 3/4 |
$4.49
|
2 |
|
usually ships 1-5 days |
20 |
999-0718
|
Nut 1/4-28 hex jam zinc plated |
$0.99
|
1 |
|
ships same day |
21 |
375-9049
|
Rod (Tennant Industrial) |
$32.17
|
1 |
|
usually ships 10-13 days |
22 |
175-3272
|
Cotter pin |
$3.30
|
2 |
|
usually ships 10-13 days |
23 |
375-3644
|
Clevis (Tennant Industrial) |
$24.34
|
1 |
|
usually ships 10-13 days |
24 |
375-3643
|
Nut (Tennant Industrial) |
$6.67
|
1 |
|
usually ships 10-13 days |
25 |
275-0417
|
Screw M6-1 x 50 hex head |
$4.36
|
2 |
|
usually ships 1-5 days |
26 |
999-0469
|
Nut M6-1 nylon insert lock zinc plated |
$1.32
|
2 |
|
ships same day |
27 |
999-0786
|
Screw M8-1.25 x 35mm hex head stainless steel |
$1.12
|
3 |
|
ships same day |
28 |
999-0024
|
Washer 5/16 flat stainless steel |
$1.34
|
1 |
|
ships same day |
29 |
999-0471
|
Nut M8-1.25 nylon insert lock zinc plated |
$0.99
|
3 |
|
ships same day |
30 |
999-0504
|
Bolt M12-1.75 x 35mm hex hd stainless steel full thread |
$4.82
|
8 |
|
ships same day |
31 |
999-0519
|
Nut M12-1.75 nylon insert lock stainless steel |
$3.85
|
8 |
|
ships same day |
32 |
999-0114
|
Washer 1/2 SAE flat |
$0.99
|
8 |
|
ships same day |
33 |
275-2618
|
Screw M5-1 x 16mm hex head black (Tennant Industrial) |
$2.50
|
2 |
|
usually ships 1-5 days |
34 |
999-0006
|
Washer 3/16 flat zinc plated |
$0.99
|
4 |
|
ships same day |
35 |
175-2894
|
Nut M5-.8 hex nylon locking |
$3.30
|
2 |
|
usually ships 10-13 days |
36 |
575-2471
|
LEVER, STOP, BRAKE (Tennant Industrial) |
$29.01
|
1 |
|
usually ships 10-13 days |
37 |
575-3066
|
BRACKET, SWITCH, BRAKE (Tennant Industrial) |
$37.67
|
1 |
|
usually ships 10-13 days |
38 |
675-0216
|
SWITCH, SNAP, 15A NO (Tennant Industrial) |
$176.37
|
1 |
|
usually ships 10-13 days |
39 |
175-5113
|
Bolt M6 x 12mm hex head |
$3.30
|
2 |
|
usually ships 1-5 days |
40 |
275-4736
|
Screw M8-1.25 x 20mm hex washer head stainless steel SEMS |
$4.49
|
2 |
|
ships same day |
41 |
575-4500
|
TUBE, 0.34ID 0.62OD 00.2L, STL (Tennant Industrial) |
$53.51
|
1 |
|
usually ships 10-13 days |
42 |
375-0700
|
Parking brake spring (Tennant Industrial) |
$11.17
|
1 |
|
usually ships 1-5 days |