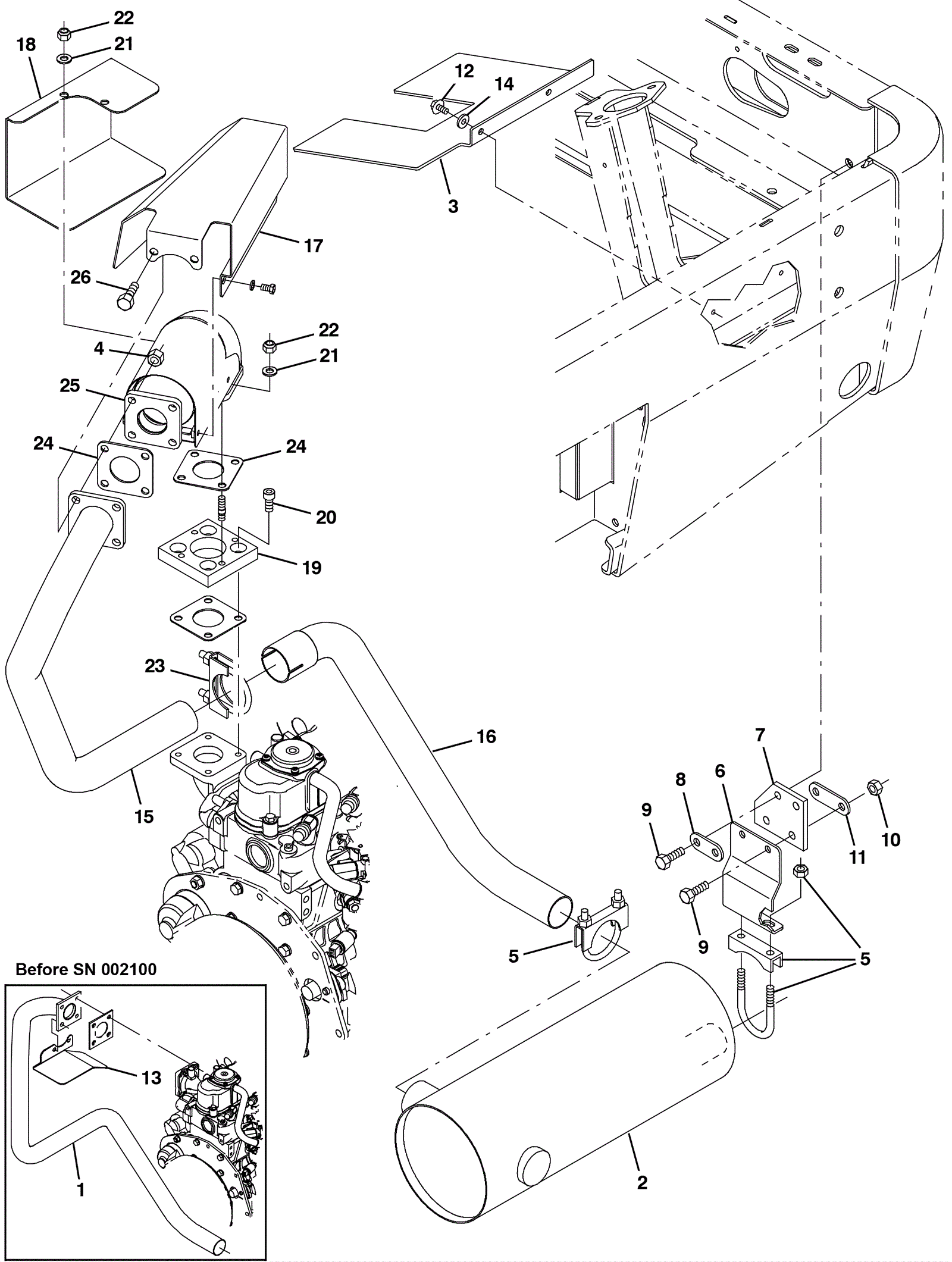
| # | Part | Description | Price | Req | Notes | Availability |
1 |
675-3225
|
TUBE WLDT, EXHAUST, 4 HOLE FLNG (Tennant Industrial) |
$392.41
|
1 |
(before SN 002100) |
usually ships 10-13 days |
2 |
675-5629
|
MUFFLER, EXHAUST (Tennant Industrial) |
$761.32
|
1 |
|
usually ships 10-13 days |
3 |
575-4370
|
PLATE, SHIELD, EXHAUST (Tennant Industrial) |
$51.68
|
1 |
|
usually ships 10-13 days |
4 |
999-0579
|
Nut M8-1.25 hex coarse thread zinc |
$0.99
|
4 |
(after SN 002099) |
ships same day |
5 |
475-9447
|
CLAMP, MUFFLER, 1.38D (Tennant Industrial) |
$8.17
|
2 |
|
usually ships 10-13 days |
6 |
575-1930
|
ANGLE, MTG, MUFFLER (Tennant Industrial) |
$26.01
|
1 |
|
usually ships 10-13 days |
7 |
475-9146
|
ISOLATOR, VIB, EXHAUST, 0.3 2.7W 3.2W (Tennant Industrial) |
$6.83
|
1 |
|
usually ships 10-13 days |
8 |
575-0219
|
PLATE, MTG, ISOLATOR (Tennant Industrial) |
$13.17
|
1 |
|
usually ships 10-13 days |
9 |
999-0581
|
Bolt M8-1.25 x 25mm hex head full thread zinc |
$0.99
|
4 |
|
ships same day |
10 |
999-0471
|
Nut M8-1.25 nylon insert lock zinc plated |
$0.99
|
2 |
|
ships same day |
11 |
475-9147
|
PLATE, MTG, ISOLATOR (Tennant Industrial) |
$7.17
|
1 |
|
usually ships 10-13 days |
12 |
175-3166
|
Bolt M6-1 x 16mm hex head |
$5.28
|
2 |
|
usually ships 10-13 days |
13 |
575-1848
|
PLATE, SHIELD, STARTER (Tennant Industrial) |
$27.67
|
1 |
(before SN 002100) |
usually ships 10-13 days |
14 |
999-0123
|
Washer 1/4 SAE flat zinc plated |
$0.99
|
2 |
|
ships same day |
15 |
575-8461
|
PIPE WLDT, EXHAUST, 4 HOLE FLNG [2011] (Tennant Industrial) |
$123.02
|
1 |
(after SN 002099) |
usually ships 10-13 days |
16 |
575-6153
|
PIPE, EXHAUST [2011] (Tennant Industrial) |
$69.68
|
1 |
(after SN 002099) |
usually ships 10-13 days |
17a |
575-9352
|
SHIELD, HEAT, GAS/LPG, W/ LABEL, NA[S20] (Tennant Industrial |
$154.70
|
1 |
(after SN 002099) |
usually ships 10-13 days |
17b |
575-9353
|
SHIELD, HEAT, GAS/LPG, W/ LABEL, TJ[S20] (Tennant Industrial |
$154.70
|
1 |
(after SN 002099) |
usually ships 10-13 days |
18 |
575-2644
|
SHIELD, HEAT, STARTER [2011] (Tennant Industrial) |
$35.17
|
1 |
(after SN 002099) |
usually ships 10-13 days |
19 |
575-7227
|
PLATE, SPACER, EXHAUST, DSL (Tennant Industrial) |
$106.02
|
1 |
(after SN 002099) |
usually ships 10-13 days |
20 |
999-0802
|
Screw M8-1.25 x 16mm socket head |
$0.99
|
4 |
(after SN 002099) |
ships same day |
21 |
999-0549
|
Washer 5/16 x 3/4 SAE flat stainless steel |
$0.99
|
4 |
(after SN 002099) |
ships same day |
22 |
275-4518
|
NUT, HEX, STOVER, M8 X 1.25 (Tennant Industrial) |
$5.67
|
4 |
(after SN 002099) |
usually ships 1-5 days |
23 |
475-9755
|
CLAMP, MUFFLER, 1.75D (Tennant Industrial) |
$9.84
|
1 |
(after SN 002099) |
usually ships 10-13 days |
24 |
275-3844
|
VR, GASKET, MUFFLER (Tennant Industrial) |
$31.01
|
2 |
(after SN 002099) |
usually ships 1-5 days |
25 |
675-8170
|
VR, CATALYTIC, CONVERTER [KU S20] (Tennant Industrial) |
$2,756.38
|
1 |
(after SN 002099) |
usually ships 10-13 days |
26 |
999-0581
|
Bolt M8-1.25 x 25mm hex head full thread zinc |
$0.99
|
4 |
(after SN 002099) |
ships same day |