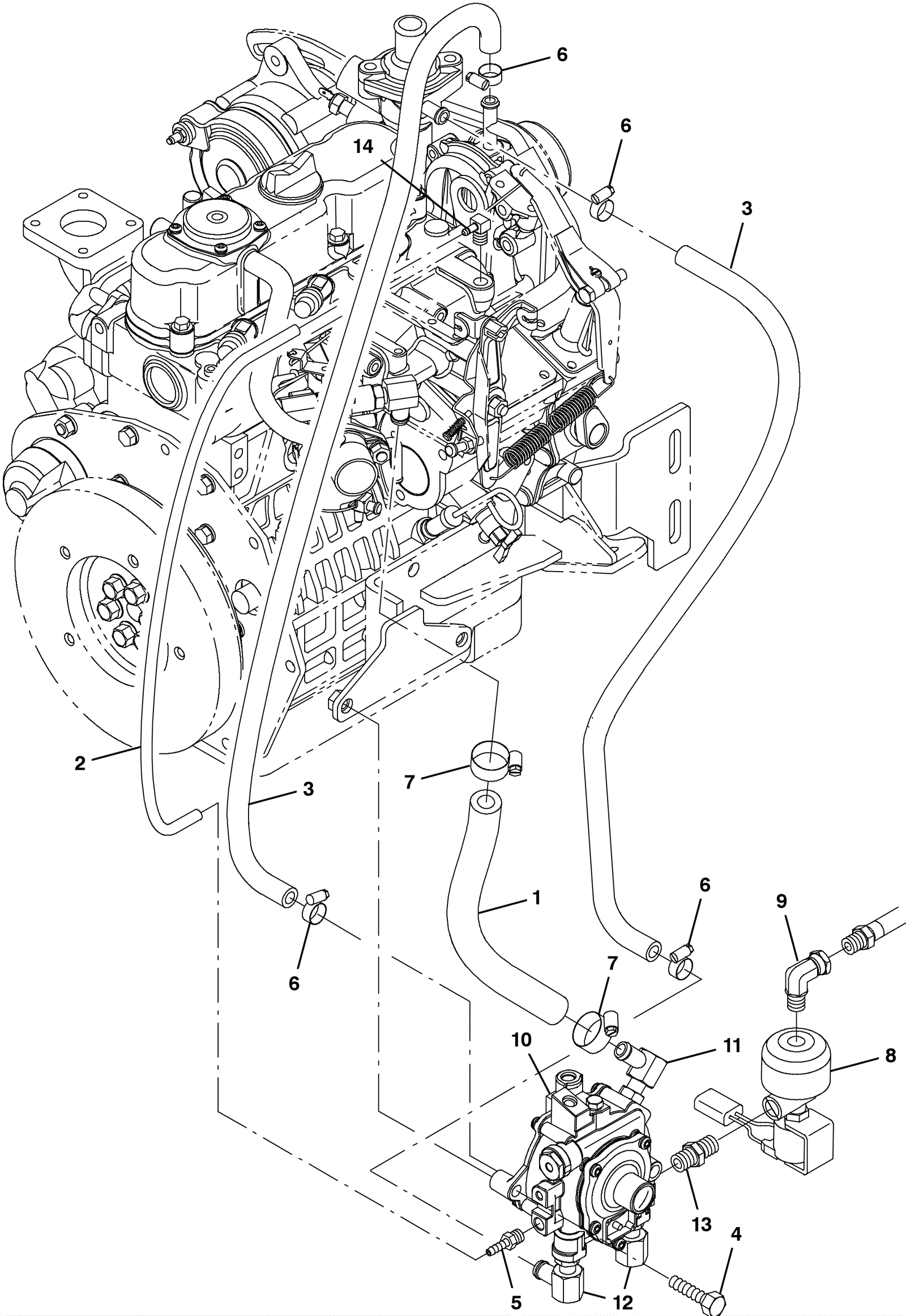
| # | Part | Description | Price | Req | Notes | Availability |
1 |
575-2572
|
HOSE, LPG, LOW08, NONE/NONE, 011.8L (Tennant Industrial) |
$29.84
|
1 |
|
usually ships 10-13 days |
2 |
275-0344
|
Vacuum hose .16id x 15.6l (Tennant Industrial) |
$18.67
|
1 |
|
usually ships 1-5 days |
3 |
575-2897
|
HOSE, RBR, 0.38ID 0.62OD 36.0L (Tennant Industrial) |
$33.01
|
2 |
|
usually ships 10-13 days |
4 |
475-9109
|
SCREW, HEX, M8 X 1.25 X 45, 10.9 (Tennant Industrial) |
$6.50
|
2 |
|
usually ships 10-13 days |
5 |
175-3366
|
Fitting |
$5.28
|
1 |
|
usually ships 10-13 days |
6 |
175-3594
|
Hose clamp |
$5.28
|
4 |
|
usually ships 10-13 days |
7 |
175-0199
|
Hose clamp |
$7.15
|
2 |
|
usually ships 10-13 days |
8a |
275-7127
|
Lockoff valve (TENNANT INDUSTRIAL) |
$612.46
|
1 |
(includes 8b) |
usually ships 1-5 days |
8b |
275-7124
|
Fuel filter (TENNANT INDUSTRIAL) |
$41.51
|
1 |
|
usually ships 1-5 days |
9 |
275-6647
|
Fitting |
$12.32
|
1 |
|
usually ships 1-5 days |
10 |
675-8104
|
VR, REGULATOR, LPG [KUBOTA] (Tennant Industrial) |
$3,338.67
|
1 |
(includes 11 and 12) |
usually ships 10-13 days |
11 |
575-6708
|
VR, FITTING, VAPORIZER [KU] (Tennant Industrial) |
$79.52
|
1 |
|
usually ships 10-13 days |
12 |
575-6709
|
VR, FITTING, VAPORIZER [KU] (Tennant Industrial) |
$78.02
|
2 |
|
usually ships 10-13 days |
13 |
275-8329
|
FITTING, BRS, STR, PM04/PM04 (Tennant Industrial) |
$5.67
|
1 |
|
usually ships 1-5 days |
14 |
175-6851
|
FITTING, BRS, E90, BM03/PM02 (Tennant Industrial) |
$15.67
|
1 |
|
usually ships 10-13 days |