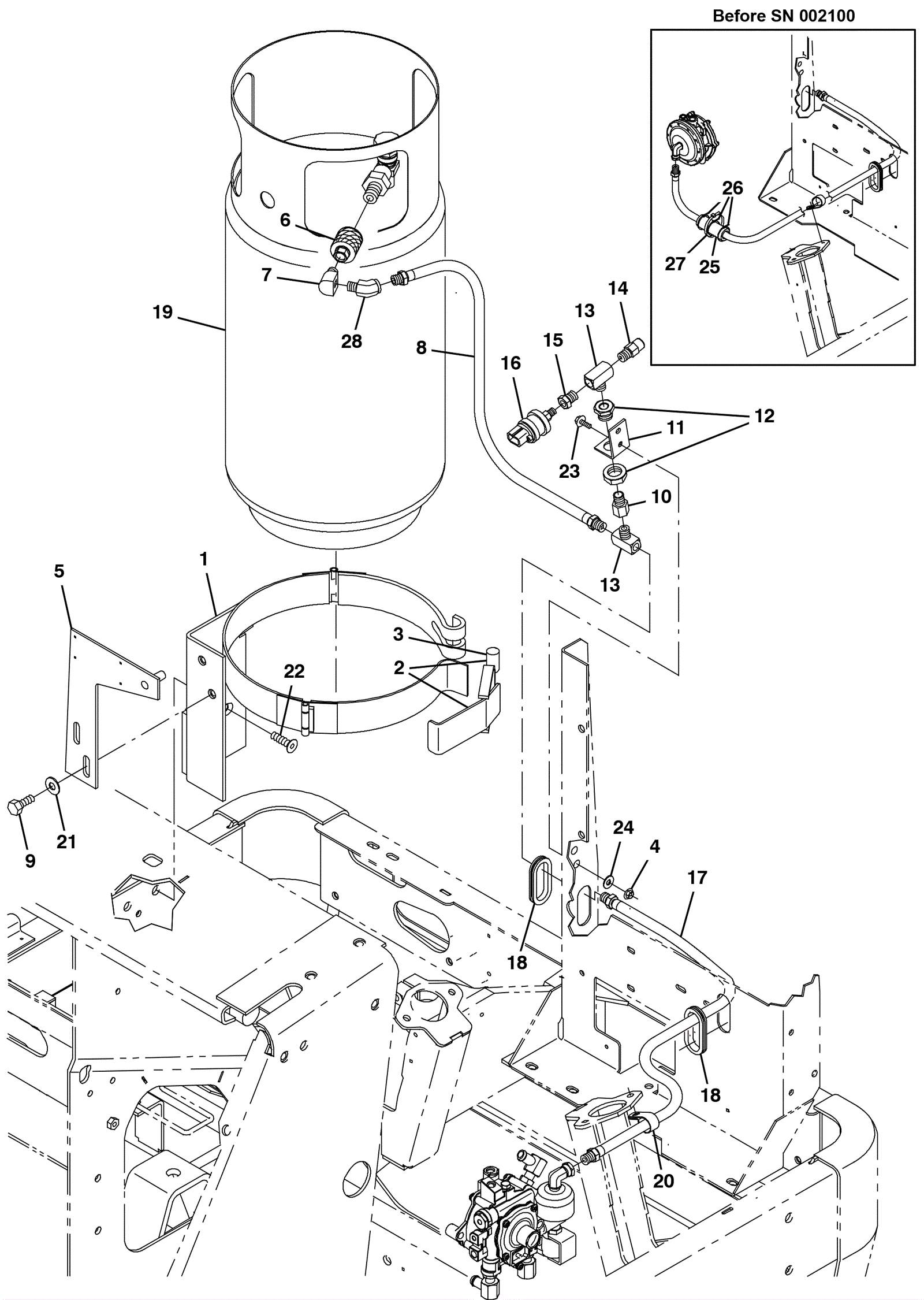
| # | Part | Description | Price | Req | Notes | Availability |
1 |
675-4461
|
BRACKET WLDT, MTG, LPG (Tennant Industrial) |
$571.45
|
1 |
|
usually ships 10-13 days |
2 |
154-0005
|
Propane tank strap |
$26.62
|
1 |
(incldues 3) |
ships same day |
3 |
275-0323
|
LPG tank mounting adjustment nut |
$14.52
|
1 |
|
usually ships 1-5 days |
4 |
999-6694
|
Nut M6-1 hex serrated flange stainless steel |
$0.99
|
2 |
|
ships same day |
5 |
575-6013
|
PLATE WLDT, MTG, LPG (Tennant Industrial) |
$75.52
|
1 |
|
usually ships 10-13 days |
6 |
275-0324
|
LPG female quick disconnect brass fitting |
$94.60
|
1 |
|
usually ships 10-13 days |
7 |
175-2614
|
90 degree elbow fitting |
$5.50
|
1 |
|
ships same day |
8 |
575-4770
|
HOSE, LPG, MED06, PM04STR/PM04STR, 018.0 (Tennant Industrial |
$52.84
|
1 |
|
usually ships 10-13 days |
9 |
275-0025
|
Screw M10-1.5 x 25 hex head 8.8 |
$4.36
|
2 |
|
usually ships 10-13 days |
10 |
275-2890
|
FITTING, BRS, STR, PF04/PM04 (Tennant Industrial) |
$8.34
|
1 |
|
usually ships 1-5 days |
11 |
575-0608
|
BRACKET, ANGLE, MTG, RELIEF VALVE (Tennant Industrial) |
$16.67
|
1 |
|
usually ships 10-13 days |
12 |
175-4814
|
Brass strainer fitting |
$31.90
|
1 |
|
ships same day |
13 |
175-5243
|
Brass tee fitting |
$10.34
|
2 |
|
usually ships 1-5 days |
14 |
275-0326
|
LPG pressure relief valve |
$142.78
|
1 |
|
usually ships 10-13 days |
15 |
275-0308
|
FITTING, HYD, STR, PF02/PM04 (Tennant Industrial) |
$12.50
|
1 |
|
usually ships 1-5 days |
16 |
275-6654
|
Pressure switch (TENNANT INDUSTRIAL) |
$182.04
|
1 |
|
usually ships 1-5 days |
17a |
375-0654
|
LPG hose (Tennant Industrial) |
$136.03
|
1 |
(before SN 002100) |
usually ships 10-13 days |
17b |
575-7671
|
HOSE, LPG, MED05, PM04STR/SM04STR, 031.0 (Tennant Industrial |
$98.02
|
1 |
(after SN 002099) |
usually ships 10-13 days |
18 |
275-0543
|
Rubber grommet |
$6.27
|
2 |
|
usually ships 1-5 days |
19 |
375-0648
|
LPG tank (Tennant Industrial) |
$1,347.60
|
1 |
|
usually ships 1-5 days |
20 |
175-3179
|
P clamp |
$5.28
|
1 |
|
usually ships 10-13 days |
21 |
999-0032
|
Washer 3/8 USS flat plain finish |
$2.42
|
2 |
|
ships same day |
22 |
999-9142
|
Screw M10-1.5 x 35mm flat head |
$2.27
|
2 |
|
usually ships 16-20 days |
23 |
999-1312
|
Screw M6-1 x 20mm hex head stainless steel |
$0.99
|
2 |
|
ships same day |
24 |
999-0123
|
Washer 1/4 SAE flat zinc plated |
$0.99
|
2 |
|
ships same day |
25 |
575-4743
|
SHEET, RBR, 3.00L GUARD, HOSE (Tennant Industrial) |
$56.84
|
1 |
(before SN 002100) |
usually ships 10-13 days |
26 |
175-2202
|
Nylon wire tie |
$4.49
|
3 |
(before SN 002100) |
ships same day |
27 |
375-9044
|
Cable tie (OBSOLETE) |
Call for price
|
1 |
(before SN 002100) |
usually ships 10-13 days |
28 |
275-0330
|
45 degree elbow hydraulic fitting |
$16.28
|
1 |
|
usually ships 1-5 days |