8210
Main Wire Harness - After SN 009999 - 3
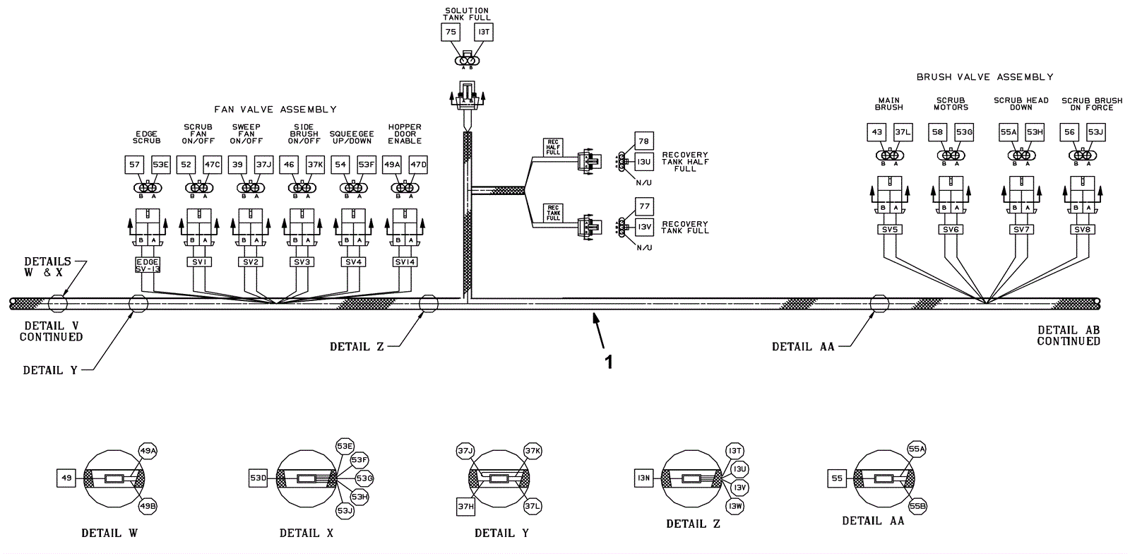
Click to enlarge
#
Part
Description
Price
Req
Notes
Availability
1
675-7845
HARNESS, MAIN [8200/8210 IMPCO GAS/LPG] (Tennant Industrial)
$2,450.06
1
usually ships 10-13 days