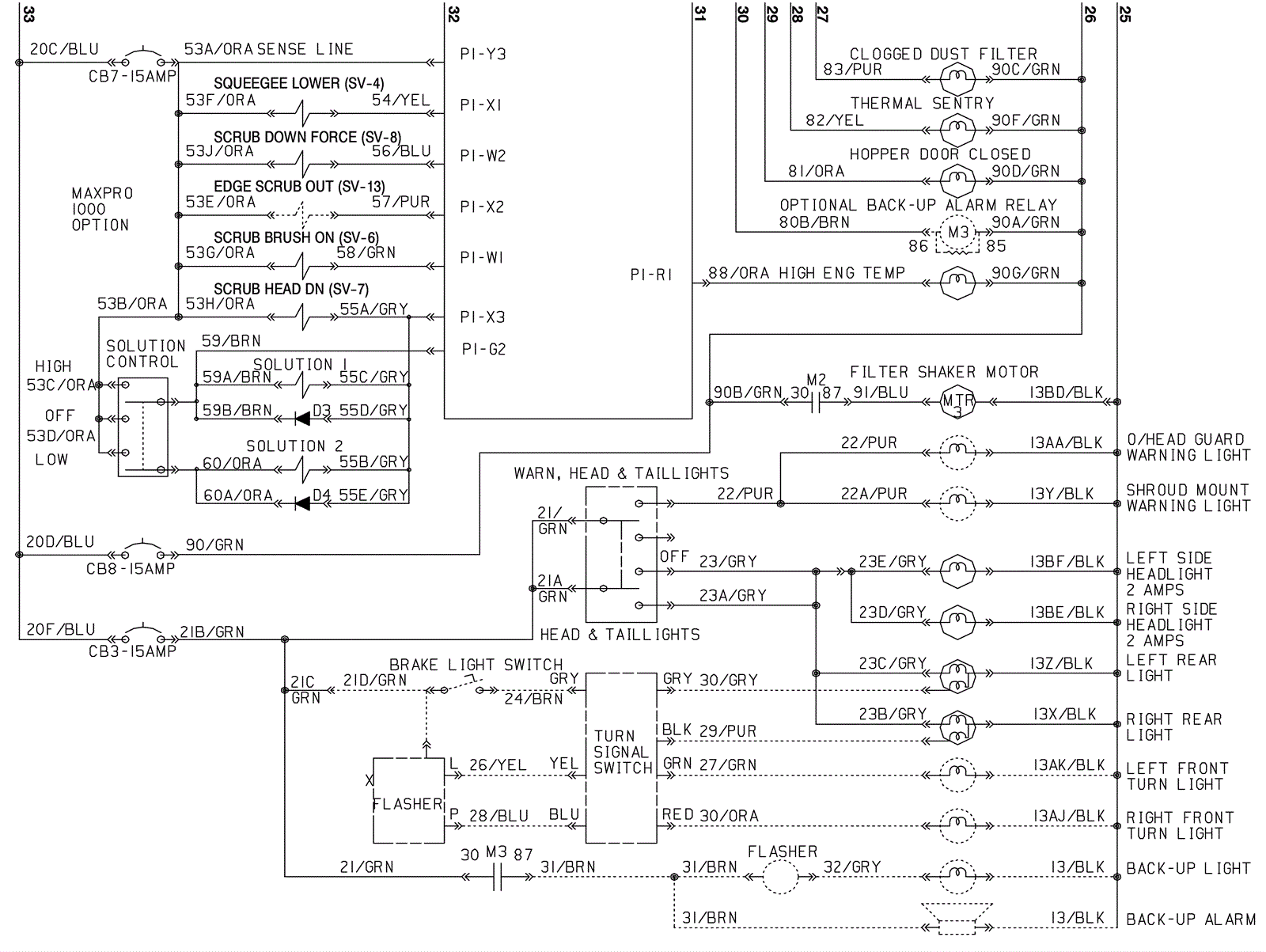
Electrical Schematic - After SN 009999 - 4
Click to enlarge