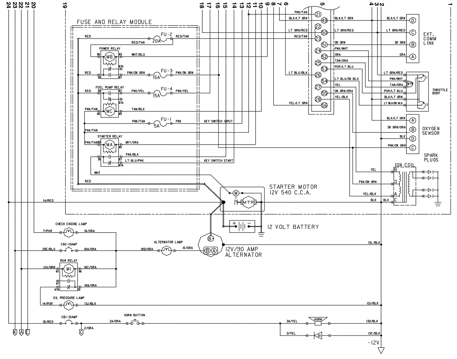
Electrical Schematic - After SN 009999 - 2
Click to enlarge