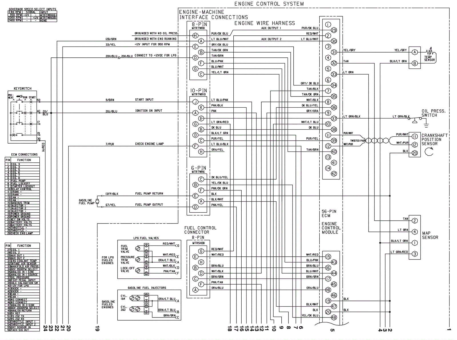
Electrical Schematic - After SN 009999 - 1
Click to enlarge