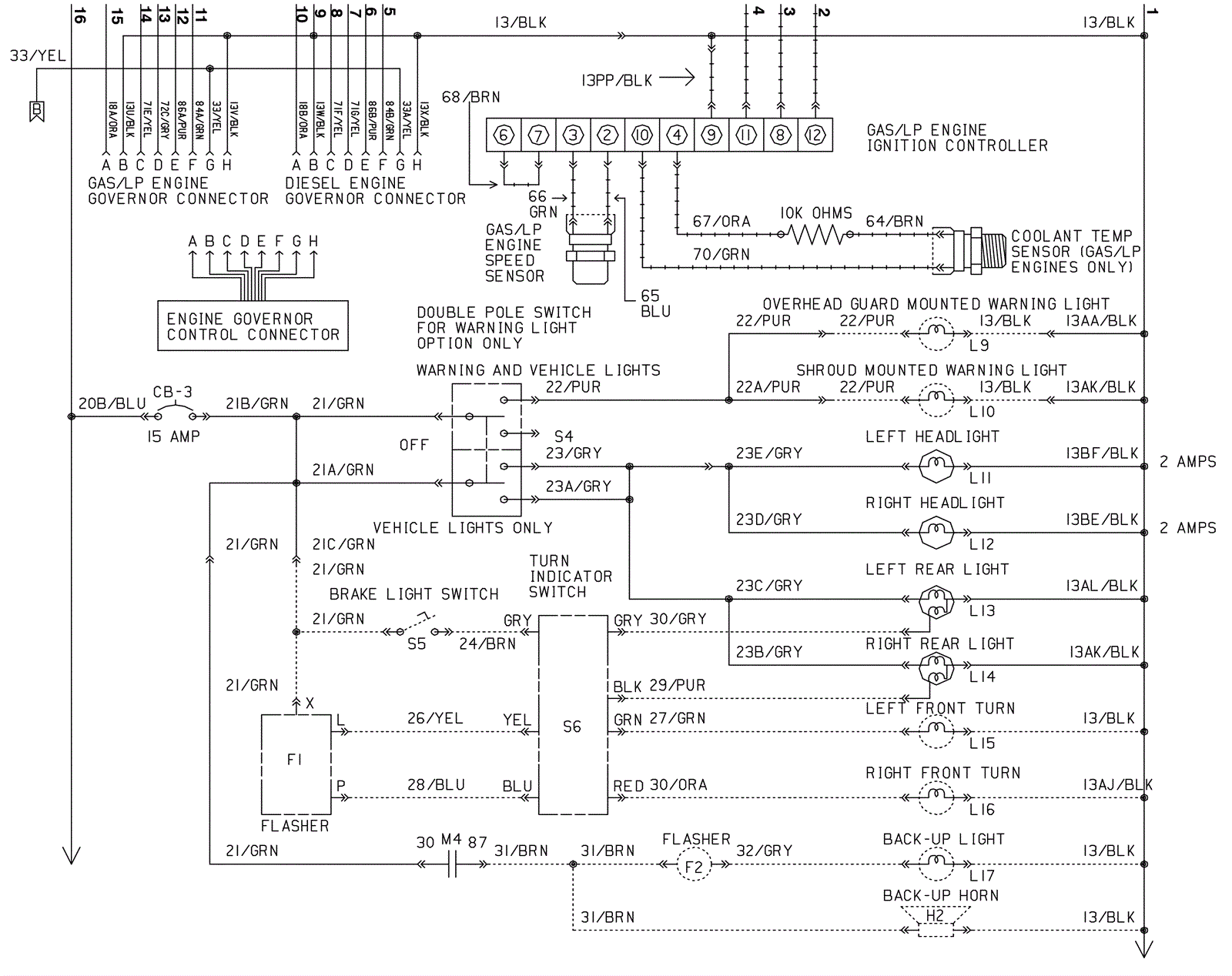
Electrical Schematic - Before SN 010000 - 2
Click to enlarge