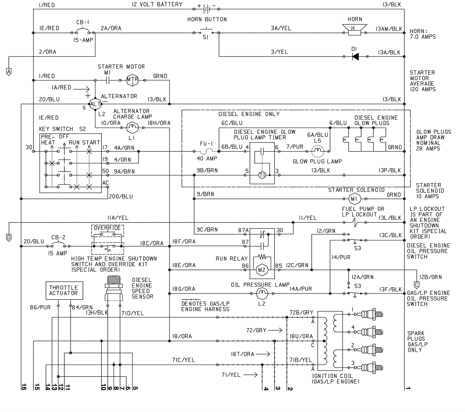
Electrical Schematic - Before SN 010000 - 1
Click to enlarge