| # | Part | Description | Price | Req | Notes | Availability |
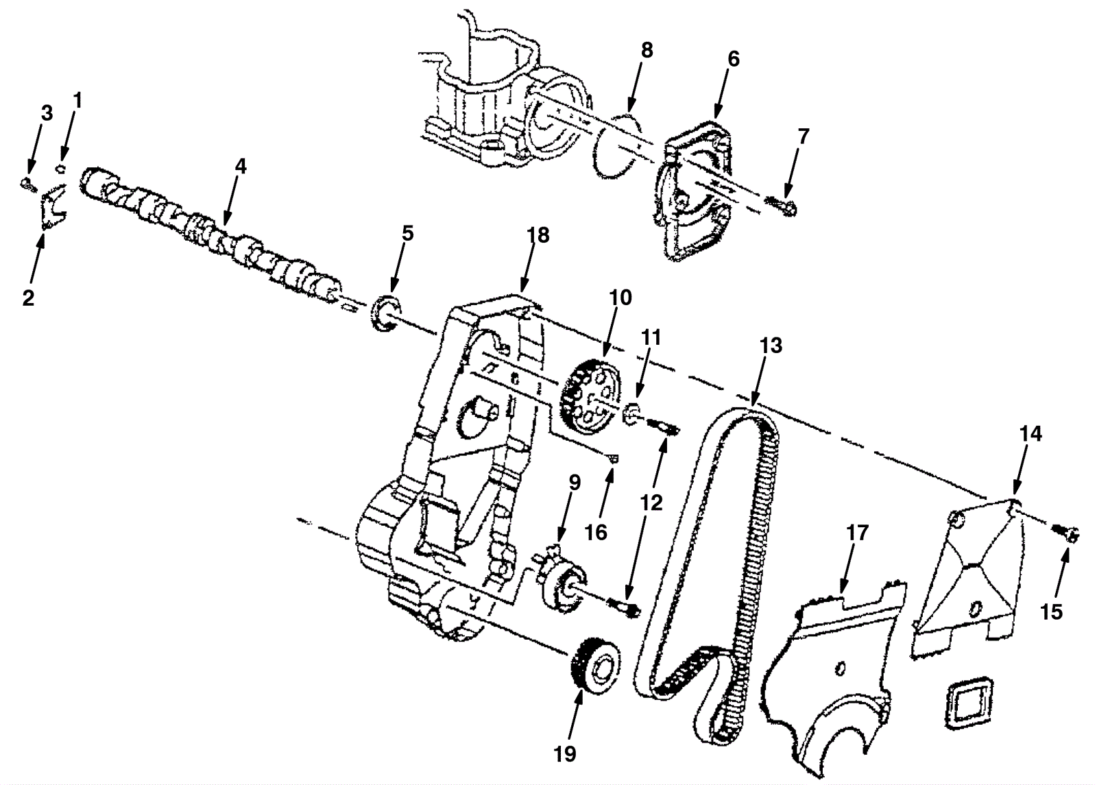
1 |
575-1015
|
VR, BALL, CAMSHAFT (Tennant Industrial) |
$23.67
|
1 |
|
usually ships 10-13 days |
2 |
575-6887
|
VR, RETAINER, CAMSHAFT (Tennant Industrial) |
$104.69
|
1 |
|
usually ships 10-13 days |
3 |
575-2278
|
VR, BOLT, M06 X 1.00 X 16MM (Tennant Industrial) |
$33.51
|
2 |
|
usually ships 10-13 days |
4 |
675-7844
|
VR, CAMSHAFT (Tennant Industrial) |
$2,781.22
|
1 |
|
usually ships 10-13 days |
5 |
575-9149
|
VR, SEAL, ORG, BOLT, COVER,CAMSHAFT HSNG (Tennant Industrial |
$171.53
|
1 |
|
usually ships 10-13 days |
6 |
675-5992
|
VR, COVER, HSNG, CAMSHAFT (Tennant Industrial) |
$1,175.40
|
1 |
|
usually ships 10-13 days |
7 |
575-3537
|
VR, BOLT, COVER, CAMSHAFT, M6 X 1 X 22 (Tennant Industrial) |
$47.84
|
3 |
|
usually ships 10-13 days |
8 |
575-3538
|
VR, SEAL, ORG, BOLT, COVER,CAMSHAFT HSNG (OBSOLETE) |
$39.91
|
1 |
|
usually ships 10-13 days |
9 |
675-6687
|
VR, PULLEY, TENS, BELT, TIMING (Tennant Industrial) |
$1,499.80
|
1 |
|
usually ships 10-13 days |
10 |
675-4794
|
VR, SPROCKET, CAMSHAFT [FD] (Tennant Industrial) |
$741.48
|
1 |
|
usually ships 10-13 days |
11 |
575-6054
|
VR, WASHER (Tennant Industrial) |
$44.76
|
1 |
|
usually ships 10-13 days |
12 |
575-3541
|
VR, BOLT, M10 X 1.25 X 60MM (Tennant Industrial) |
$47.84
|
2 |
|
usually ships 10-13 days |
13 |
375-1393
|
Belt |
$64.79
|
1 |
|
usually ships 1-5 days |
14 |
675-6263
|
VR, COVER, BELT, TIMING, UPPER FRONT (Tennant Industrial) |
$1,298.76
|
1 |
|
usually ships 10-13 days |
15 |
275-7122
|
Bolt M6-1 x 13mm (TENNANT INDUSTRIAL) |
$49.68
|
6 |
|
usually ships 1-5 days |
16 |
575-3542
|
VR, BOLT, M08 X 1.25 X 48MM (Tennant Industrial) |
$47.84
|
1 |
|
usually ships 10-13 days |
17 |
675-2843
|
VR, COVER, BELT, TIMING, LOWER FRONT (Tennant Industrial) |
$437.75
|
1 |
|
usually ships 10-13 days |
18 |
675-3856
|
VR, HOUSING, CAMSHAFT (Tennant Industrial) |
$431.75
|
1 |
|
usually ships 10-13 days |
19 |
675-1259
|
SPROCKET [OUTSIDE, GM] (Tennant Industrial) |
$246.55
|
1 |
|
usually ships 10-13 days |