| # | Part | Description | Price | Req | Notes | Availability |
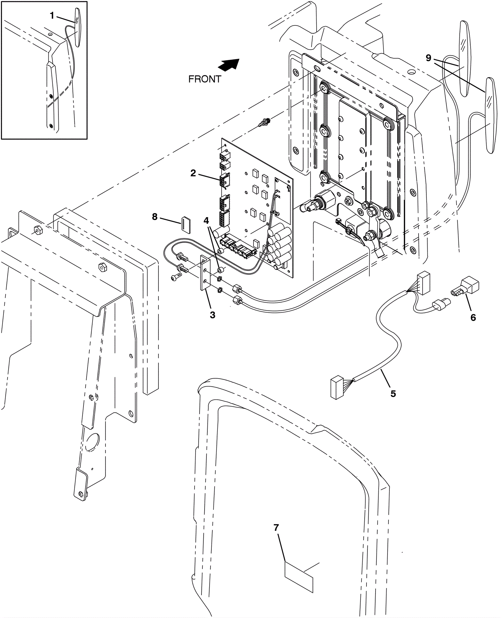
1 |
375-0171
|
18 inch antenna (Tennant Industrial) |
$97.85
|
1 |
|
usually ships 1-5 days |
2a |
375-7861
|
Membrane telemetry board |
$2,273.59
|
1 |
(requires Tennant True service or an authorized Tennant service provider) |
usually ships 10-13 days |
2b |
375-7862
|
Pro-panel telemetry board |
$2,398.99
|
1 |
(requires Tennant True service or an authorized Tennant service provider) |
usually ships 10-13 days |
3 |
375-4266
|
Bracket |
$51.37
|
1 |
|
usually ships 10-13 days |
4 |
375-4267
|
Aluminum spacer |
$9.02
|
2 |
|
usually ships 10-13 days |
5 |
375-4013
|
Electrical harness adapter |
$39.93
|
1 |
|
usually ships 10-13 days |
6 |
175-2216
|
Diode plug |
$14.19
|
1 |
|
usually ships 10-13 days |
7 |
275-7899
|
Telemetry decal |
$74.14
|
1 |
|
usually ships 1-5 days |
8 |
375-5145
|
Telemetry sim |
$3,376.59
|
1 |
|
usually ships 10-13 days |
9 |
375-9391
|
Telem antenna |
$64.57
|
2 |
|
usually ships 10-13 days |