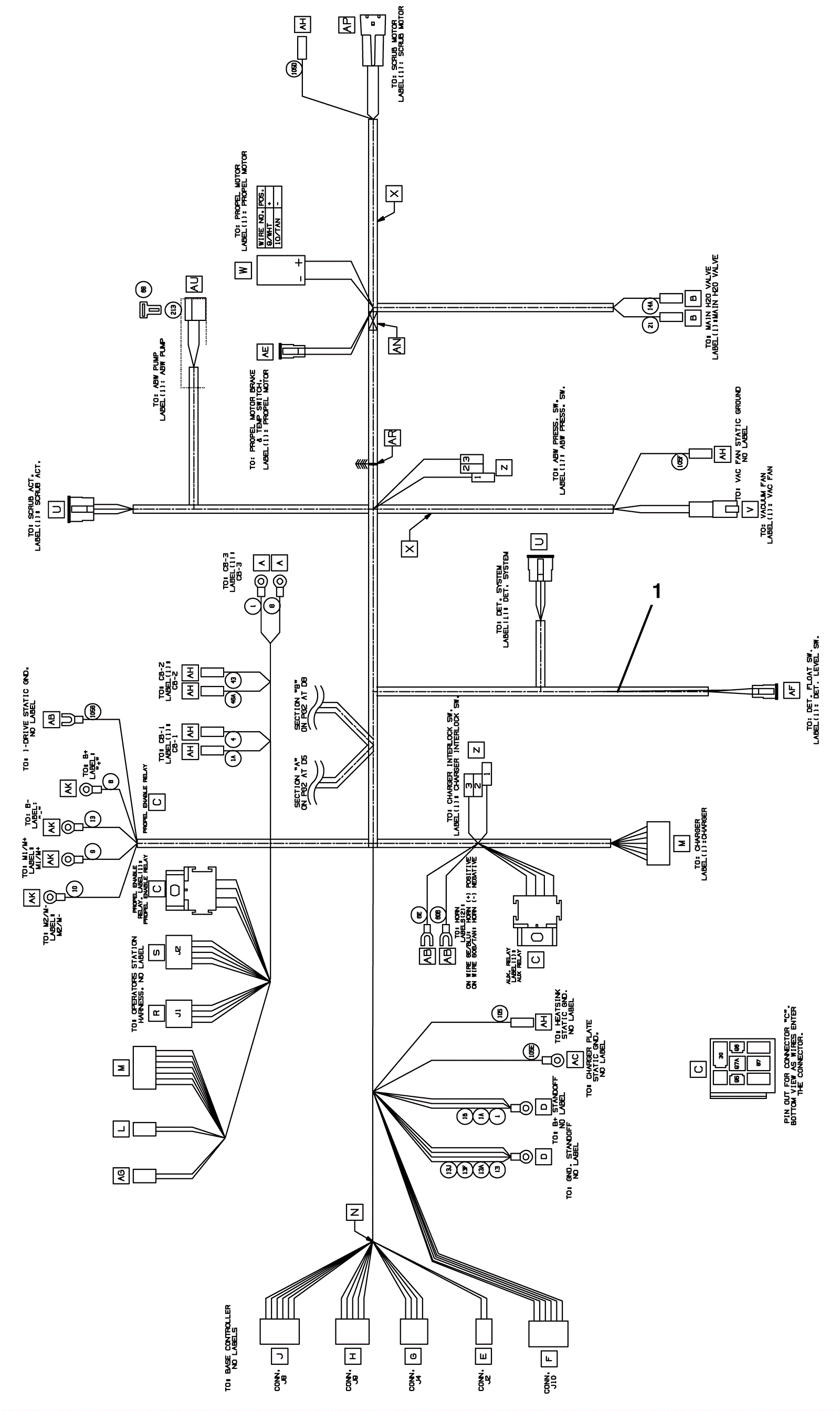
Electrical Wire Harnesses Assembly - Part 1
Click to enlarge