| # | Part | Description | Price | Req | Notes | Availability |
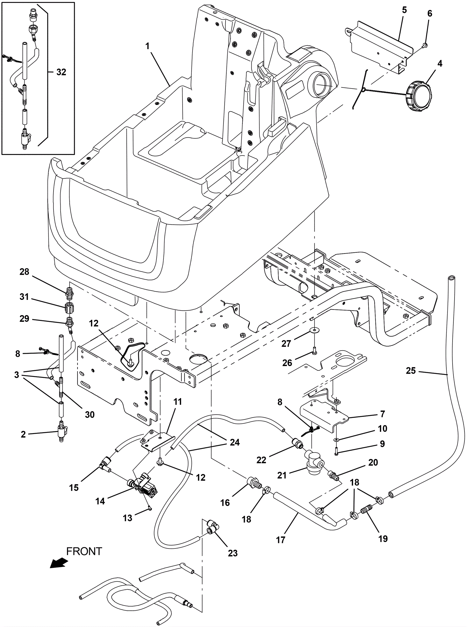
1a |
375-7859
|
Solution tank kit without ECH20 |
$1,048.85
|
1 |
|
usually ships 10-13 days |
1b |
475-4076
|
Solution tank with ECH2O |
$1,048.85
|
1 |
|
usually ships 10-13 days |
2 |
475-1230
|
VALVE, BALL, BM06/BM06, PVC, W/HANDLE |
$26.29
|
1 |
|
usually ships 10-13 days |
3 |
375-1606
|
HOSE, AFMKT, PVC, CLR, 0.38ID, 02FT (Tennant Industrial) |
$40.51
|
1 |
|
usually ships 10-13 days |
4 |
275-8185
|
Tank cap |
$75.24
|
1 |
|
ships same day |
5 |
375-4228
|
Hose support plate |
$65.23
|
1 |
|
usually ships 10-13 days |
6 |
999-1383
|
Screw M6-1 x 16mm hex head stainless steel |
$3.96
|
2 |
|
ships same day |
7 |
375-4229
|
Filter bracket |
$57.64
|
1 |
|
usually ships 10-13 days |
8 |
275-5197
|
Fir tree clip |
$2.38
|
5 |
|
usually ships 10-13 days |
9 |
999-1087
|
Bolt M6-1 x 25mm hex head stainless steel |
$0.99
|
2 |
|
ships same day |
10 |
999-0335
|
Washer 1/4 x 5/8 SAE flat stainless steel |
$0.99
|
2 |
|
ships same day |
11 |
375-4230
|
Solenoid plate weldment |
$26.84
|
1 |
|
usually ships 10-13 days |
12 |
275-4736
|
Screw M8-1.25 x 20mm hex washer head stainless steel SEMS |
$4.49
|
6 |
|
ships same day |
13 |
999-1403
|
Screw M8 x 16mm torx head |
$2.90
|
2 |
|
ships same day |
14a |
375-0133
|
24V solution solenoid valve |
$212.52
|
1 |
|
ships same day |
14b |
991-9175
|
VALVE, WATER, SOLENOID, 24VDC QF08/QF08 |
$164.30
|
1 |
(NON-OEM) |
usually ships 18-24 days |
15 |
375-0156
|
90 degree elbow |
$22.99
|
1 |
|
ships same day |
16 |
175-9666
|
Plastic fitting |
$6.27
|
1 |
|
usually ships 1-5 days |
17 |
375-4231
|
Solution tube |
$99.00
|
1 |
|
usually ships 10-13 days |
18 |
175-6081
|
Hose clamp |
$4.84
|
4 |
|
ships same day |
19 |
175-0750
|
Fitting (Tennant Industrial) |
$6.67
|
1 |
|
usually ships 10-13 days |
20 |
175-5234
|
Plastic fitting |
$6.49
|
1 |
|
usually ships 10-13 days |
21 |
375-0138
|
In-line filter |
$17.38
|
1 |
|
usually ships 16-25 days |
22 |
375-0137
|
Plastic fitting |
$20.35
|
1 |
|
usually ships 10-13 days |
23 |
375-4232
|
Plastic fitting |
$12.32
|
1 |
|
usually ships 10-13 days |
24 |
375-0204
|
5 foot solution hose |
$113.30
|
1 |
|
usually ships 10-13 days |
25 |
375-4233
|
8 foot clear pvc hose |
$77.77
|
1 |
|
usually ships 10-13 days |
26 |
999-0499
|
Bolt M8-1.25 x 20mm hex head full thread stainless steel |
$1.85
|
1 |
|
ships same day |
27 |
999-0549
|
Washer 5/16 x 3/4 SAE flat stainless steel |
$0.99
|
1 |
|
ships same day |
28 |
375-5128
|
Plastic fitting |
$26.07
|
1 |
(after SN 10945379) |
usually ships 10-13 days |
29 |
375-5129
|
Plastic fitting |
$26.62
|
1 |
(after SN 10945379) |
usually ships 10-13 days |
30 |
375-5130
|
Plastic tee fitting |
$3.04
|
1 |
(after SN 10945379) |
usually ships 10-13 days |
31 |
375-5131
|
Straight fitting |
$33.55
|
1 |
(after SN 10945379) |
usually ships 10-13 days |
32 |
375-5132
|
Drain maintenance kit |
$179.52
|
1 |
(before SN 10945380) |
usually ships 10-13 days |