| # | Part | Description | Price | Req | Notes | Availability |
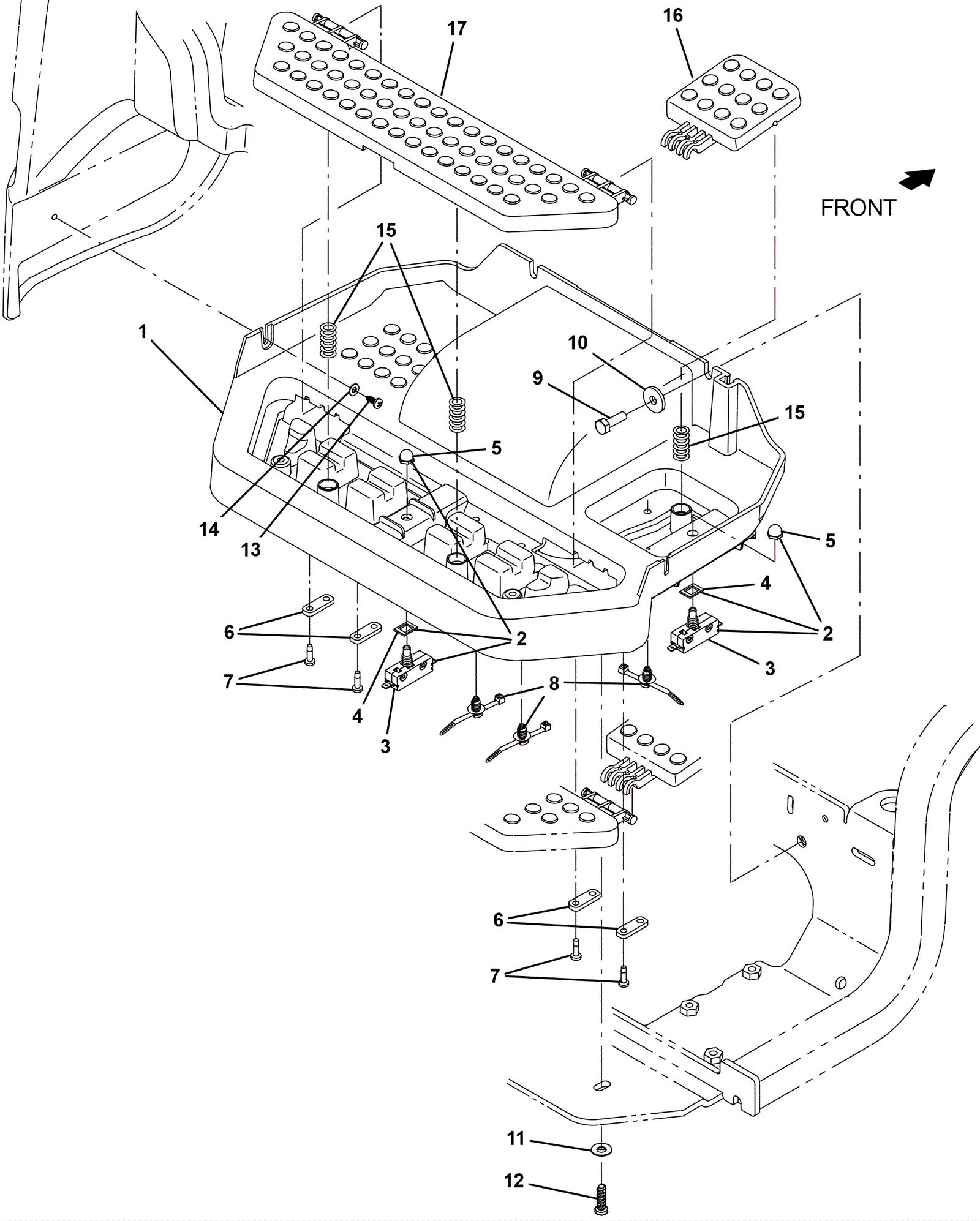
1 |
375-5101
|
Deck support |
$176.88
|
1 |
|
usually ships 10-13 days |
2 |
375-5102
|
Pedal switch kit |
$74.47
|
2 |
(includes 3-5) |
usually ships 10-13 days |
3 |
375-4170
|
Push switch |
$45.65
|
1 |
|
usually ships 10-13 days |
4 |
375-5103
|
Pedal spacer |
$5.61
|
1 |
|
usually ships 10-13 days |
5 |
175-2878
|
Nut 3/8-32 hex switch boot |
$19.80
|
1 |
|
usually ships 10-13 days |
6 |
475-0779
|
Pedal plate retainer |
$12.87
|
4 |
|
usually ships 10-13 days |
7 |
175-7660
|
Screw #10-14 x .675 shoulder self-tapping |
$3.30
|
8 |
|
usually ships 10-13 days |
8 |
275-5197
|
Fir tree clip |
$2.38
|
3 |
|
usually ships 10-13 days |
9 |
999-0501
|
Bolt M8-1.25 x 25mm hex head full thread stainless steel |
$2.64
|
2 |
|
ships same day |
10 |
175-7920
|
Washer M8 flat stainless steel |
$4.49
|
2 |
|
ships same day |
11 |
999-0024
|
Washer 5/16 flat stainless steel |
$1.34
|
2 |
|
ships same day |
12 |
375-3186
|
Screw |
$9.79
|
2 |
|
usually ships 10-13 days |
13 |
999-0531
|
Screw M5-.8 x 16mm pan head slotted zinc |
$0.99
|
2 |
|
ships same day |
14 |
999-0393
|
Washer 3/16 flat aluminum |
$0.99
|
2 |
|
ships same day |
15 |
375-4171
|
Compression spring |
$2.38
|
3 |
|
usually ships 10-13 days |
16 |
375-4172
|
Accelerator pedal |
$19.69
|
1 |
|
usually ships 10-13 days |
17 |
475-1533
|
Safety pedal |
$54.45
|
1 |
|
usually ships 10-13 days |