| # | Part | Description | Price | Req | Notes | Availability |
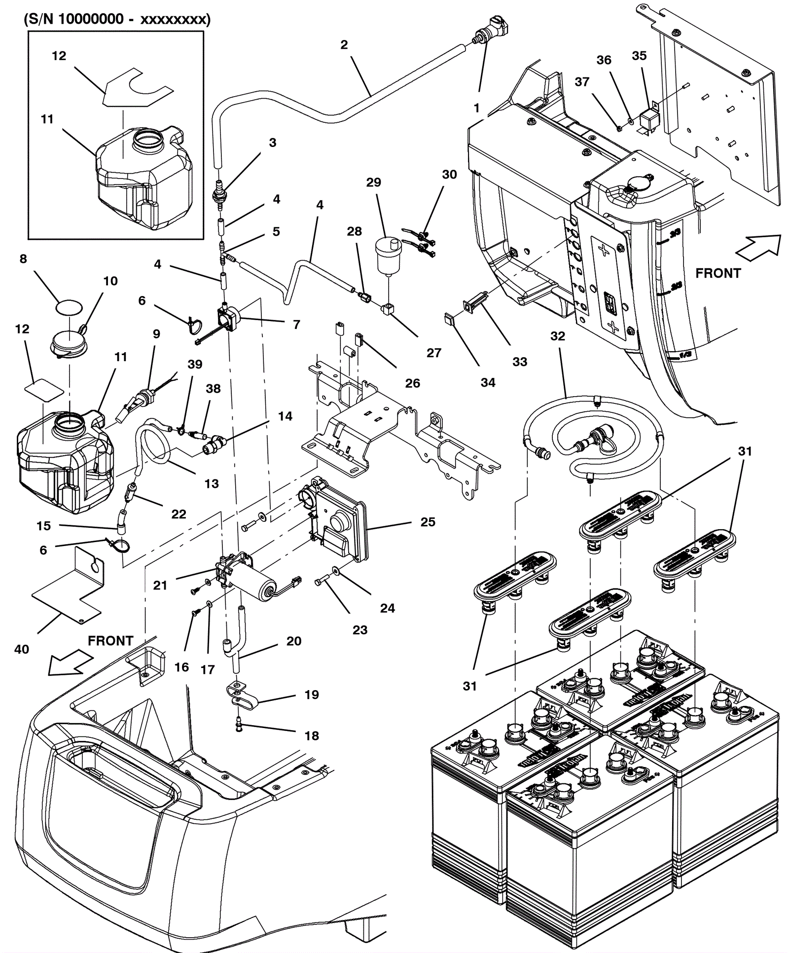
1 |
375-3437
|
Plastic fitting |
$44.88
|
1 |
|
ships same day |
2 |
275-1748
|
HOSE, PVC, CLR, 0.38ID 0.56OD 027.0L |
$20.35
|
1 |
|
usually ships 10-13 days |
3 |
375-3438
|
Check valve |
$20.13
|
1 |
|
ships same day |
4 |
175-5305
|
Hose 1/4 x 3 foot |
$56.32
|
1 |
|
ships same day |
5 |
175-7303
|
1/4 inch union tee |
$11.11
|
1 |
|
usually ships 10-13 days |
6 |
175-7795
|
Cable tie |
$5.15
|
2 |
|
ships same day |
7 |
375-3439
|
Hall flow sensor |
$26.73
|
1 |
|
ships same day |
8 |
375-3440
|
Automated battery watering decal |
$32.78
|
1 |
|
usually ships 10-13 days |
9 |
375-0163
|
Liquid level sensor |
$88.55
|
1 |
|
ships same day |
10 |
375-3342
|
Snap cap (blue) |
$10.45
|
1 |
|
usually ships 10-13 days |
11 |
375-9390
|
2.3L trimmed tank |
$77.55
|
1 |
|
usually ships 10-13 days |
12 |
375-4250
|
Do not add detergent decal |
$22.11
|
1 |
|
usually ships 10-13 days |
13 |
175-5305
|
Hose 1/4 x 3 foot |
$56.32
|
1 |
|
ships same day |
14 |
375-0154
|
90 degree elbow |
$18.81
|
1 |
|
usually ships 10-13 days |
15 |
375-3442
|
Molded hose |
$23.98
|
1 |
|
ships same day |
16 |
999-0531
|
Screw M5-.8 x 16mm pan head slotted zinc |
$0.99
|
2 |
|
ships same day |
17 |
999-0998
|
Washer #10 flat stainless steel |
$0.99
|
2 |
|
ships same day |
18 |
375-3443
|
Plastic cap fitting |
$3.56
|
1 |
|
usually ships 10-13 days |
19 |
375-3444
|
Retaining cap strap |
$3.30
|
1 |
|
usually ships 10-13 days |
20 |
375-3445
|
Molded hose |
$35.20
|
1 |
|
ships same day |
21 |
375-3446
|
Battery fill pump |
$252.56
|
1 |
|
ships same day |
22 |
375-3449
|
In-line filter |
$29.59
|
1 |
|
ships same day |
23 |
999-1087
|
Bolt M6-1 x 25mm hex head stainless steel |
$0.99
|
2 |
|
ships same day |
24 |
999-0335
|
Washer 1/4 x 5/8 SAE flat stainless steel |
$0.99
|
2 |
|
ships same day |
25 |
375-4633
|
24V battery controller kit |
$358.38
|
1 |
|
ships same day |
26 |
275-8203
|
Molding |
$48.40
|
1 |
|
usually ships 1-5 days |
27 |
175-1661
|
90 degree elbow fitting |
$5.50
|
1 |
|
usually ships 10-13 days |
28 |
275-9196
|
Straight brass fitting |
$21.01
|
1 |
|
usually ships 10-13 days |
29 |
175-7941
|
Air vent valve |
$68.64
|
1 |
|
usually ships 10-13 days |
30 |
275-5197
|
Fir tree clip |
$2.38
|
2 |
|
usually ships 10-13 days |
31 |
375-0001
|
Battery fill cap |
$45.76
|
4 |
|
ships same day |
32 |
375-3448
|
24V battery water tube |
$188.54
|
1 |
|
ships same day |
33 |
275-9986
|
10amp circuit breaker (Tennant Industrial) |
$8.34
|
1 |
|
ships same day |
34 |
275-2596
|
Circuit breaker boot (Tennant Industrial) |
$20.84
|
1 |
|
ships same day |
35 |
375-3233
|
24V relay |
$21.67
|
1 |
|
ships same day |
36 |
999-0998
|
Washer #10 flat stainless steel |
$0.99
|
1 |
|
ships same day |
37 |
999-0740
|
Nut M5-.8 hex stainless steel |
$0.99
|
1 |
|
ships same day |
38 |
375-1138
|
Plastic fitting |
$5.15
|
1 |
|
usually ships 10-13 days |
39 |
175-5304
|
Hose clamp |
$4.49
|
1 |
|
usually ships 10-13 days |
40 |
375-9009
|
Sheild plate |
$48.51
|
1 |
|
usually ships 10-13 days |