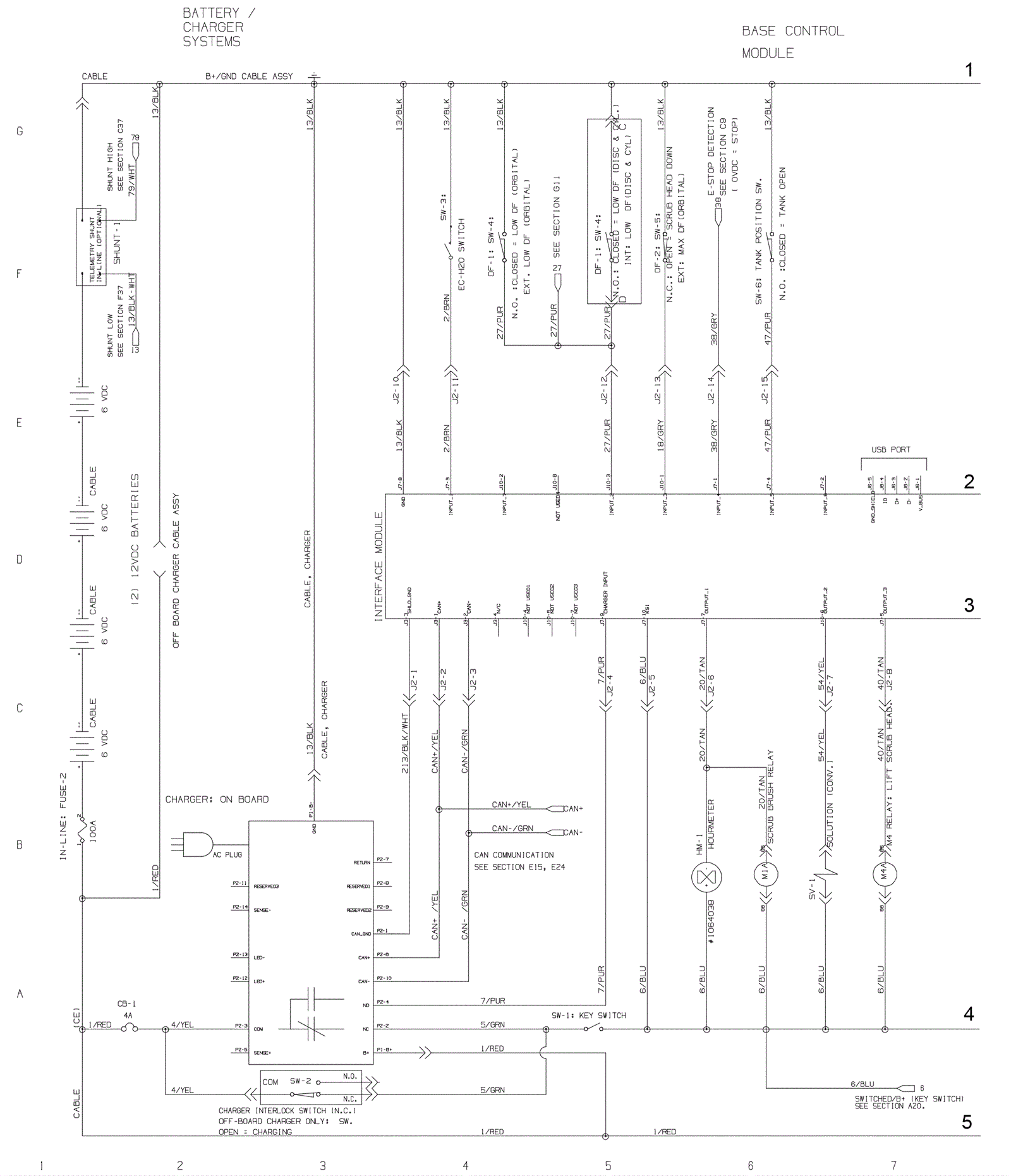
Electrical Diagram 1 - Between SN 10000000 and 10995388
Click to enlarge