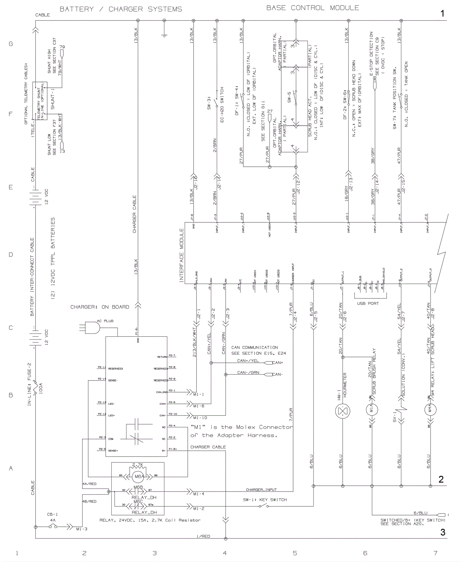
Electrical Diagram 5 - Between SN 10995399 and 20000000
Click to enlarge