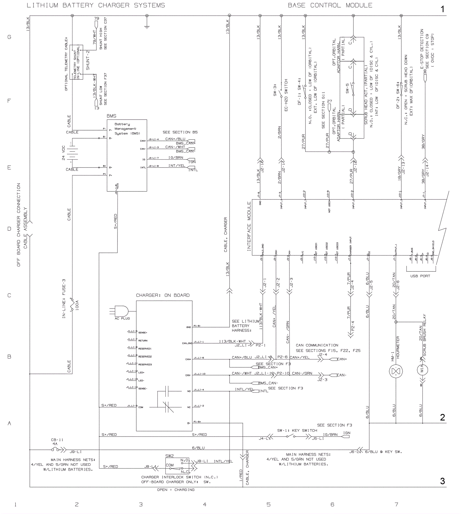
Electrical Diagram 3 - Between SN 10995399 and 20000000
Click to enlarge