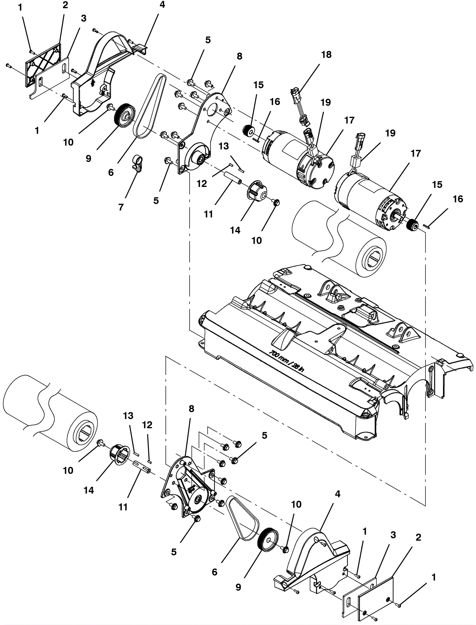
| # | Part | Description | Price | Req | Notes | Availability |
1 |
999-1403
|
Screw M8 x 16mm torx head |
$2.90
|
12 |
|
ships same day |
2 |
375-3150
|
Skirt cover |
$11.22
|
2 |
|
usually ships 10-13 days |
3 |
375-3158
|
Cylindrical side skirt |
$27.50
|
2 |
|
ships same day |
4 |
375-3194
|
Belt cover |
$54.67
|
2 |
|
usually ships 10-13 days |
5 |
275-4736
|
Screw M8-1.25 x 20mm hex washer head stainless steel SEMS |
$4.49
|
16 |
|
ships same day |
6a |
375-3195
|
Belt replacement kit |
$103.73
|
1 |
(includes 6b-7) |
usually ships 10-13 days |
6b |
275-4735
|
Drive belt |
$37.62
|
2 |
|
usually ships 10-13 days |
7 |
475-3728
|
TOOL, INSTALLATION, BELT |
$140.47
|
1 |
|
usually ships 10-13 days |
8 |
475-3930
|
BRACKET ASSY, MOTOR, CI |
$433.07
|
2 |
(includes 9-14) (includes bearing and tube not available seperately) |
usually ships 10-13 days |
9 |
275-4737
|
Sheave |
$122.10
|
1 |
|
usually ships 10-13 days |
10 |
275-4736
|
Screw M8-1.25 x 20mm hex washer head stainless steel SEMS |
$4.49
|
2 |
|
ships same day |
11 |
275-1492
|
Drive shaft |
$155.32
|
1 |
|
usually ships 10-13 days |
12 |
275-1489
|
KEY, SQ, 0.19 X 0.19, 0.50L (Tennant Industrial) |
$6.67
|
1 |
|
usually ships 10-13 days |
13 |
175-8818
|
Square keyway |
$4.49
|
1 |
|
usually ships 10-13 days |
14 |
175-8819
|
Drive plug |
$59.84
|
1 |
|
usually ships 10-13 days |
15 |
275-4738
|
Sheave |
$93.50
|
2 |
|
usually ships 10-13 days |
16 |
175-4202
|
Square keyway |
$5.28
|
2 |
|
usually ships 10-13 days |
17a |
375-3197
|
24V 1500RPM brush motor |
$1,133.66
|
2 |
(includes 17b) |
ships same day |
17b |
275-1458
|
Carbon brush (pkg of 2) |
$137.48
|
1 |
|
ships same day |
18 |
275-5309
|
Wiring harness adapter |
$26.73
|
1 |
|
usually ships 10-13 days |
19 |
375-4508
|
Inductor |
$5.83
|
2 |
|
ships same day |