S10
Wire Harnesses Assembly
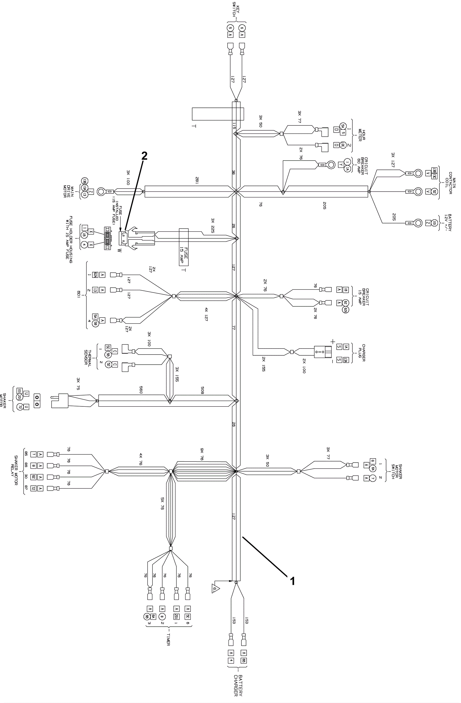
Click to enlarge
#
Part
Description
Price
Req
Notes
Availability
1
575-8277
HARNESS, MAIN, 24VDC [S10] (Tennant Industrial)
$124.02
1
(includes item 2)
usually ships 10-13 days
2
275-6738
15amp fuse (TENNANT INDUSTRIAL)
$6.67
1
usually ships 1-5 days