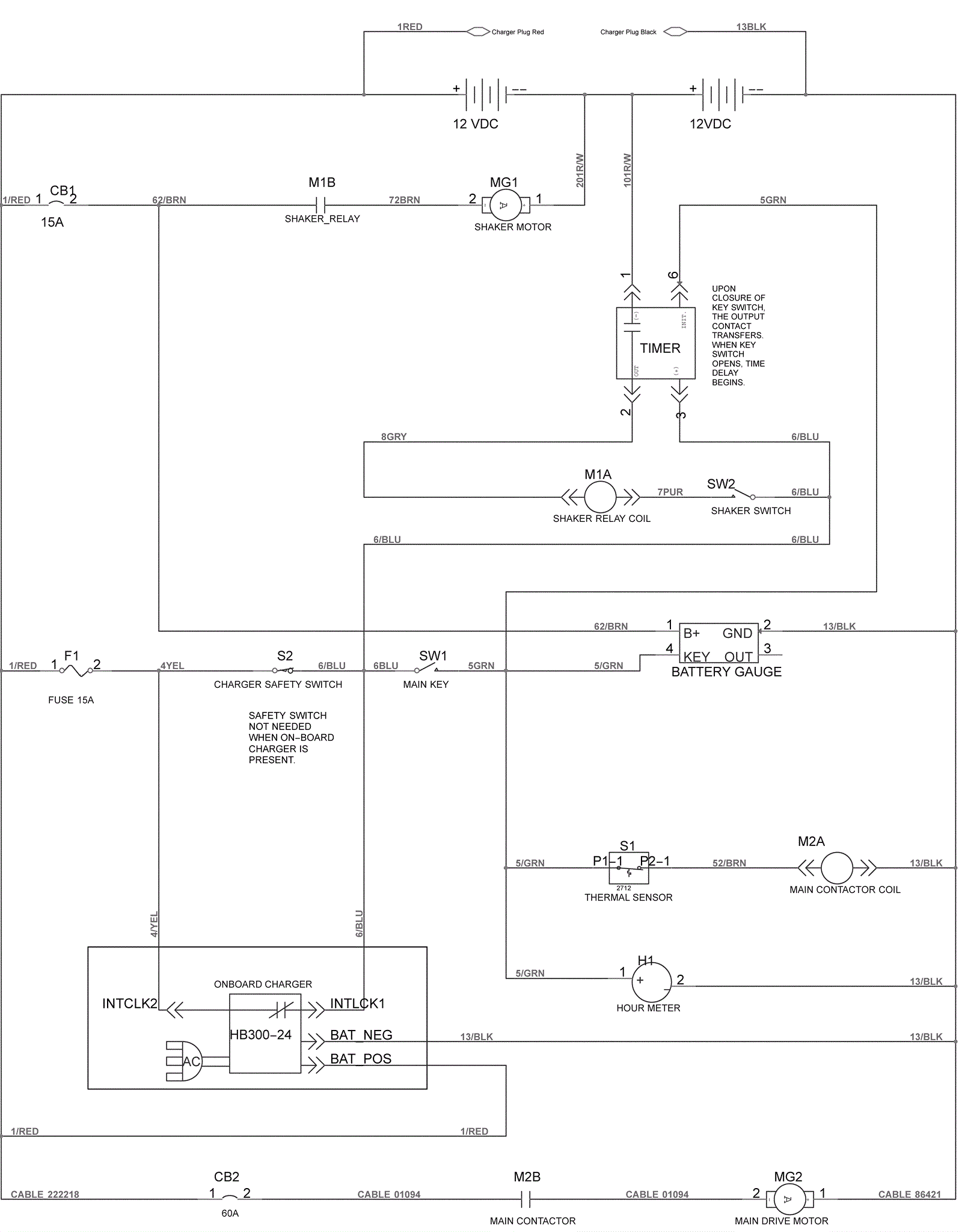
Electrical Diagram