| # | Part | Description | Price | Req | Notes | Availability |
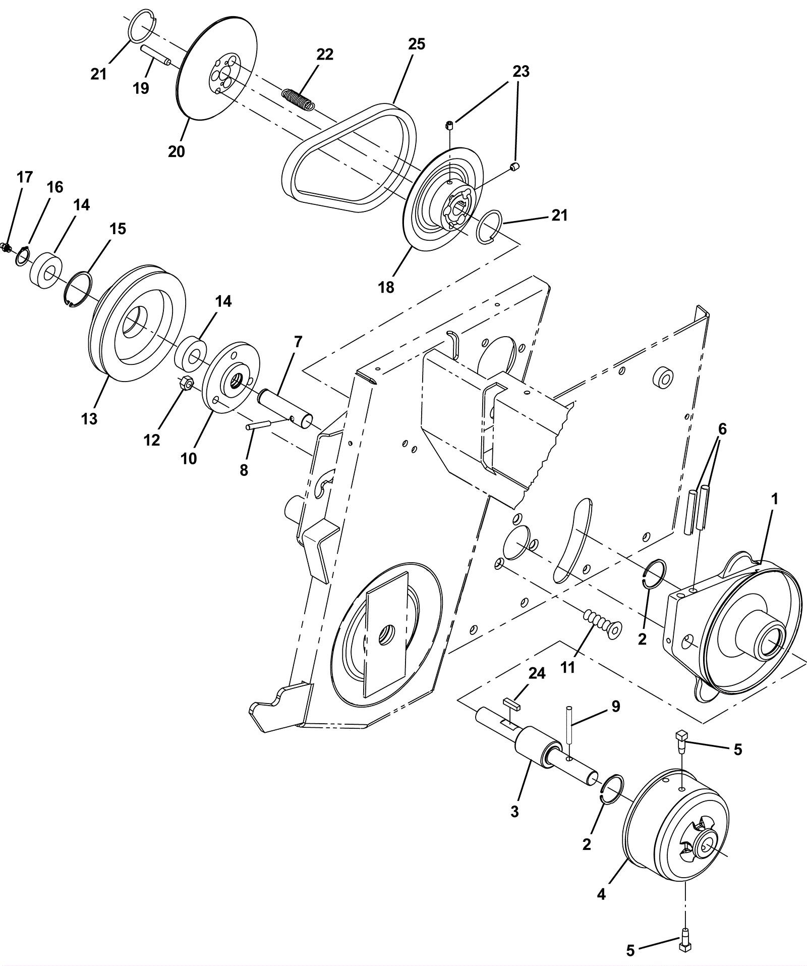
1 |
575-4311
|
ARM, DRIVE, BRUSH (Tennant Industrial) |
$50.51
|
1 |
|
usually ships 10-13 days |
2 |
275-1740
|
RING, RETAINING, INT, 1.18D, [INVERTED] (Tennant Industrial |
$5.67
|
2 |
|
usually ships 1-5 days |
3 |
275-1696
|
BEARING, W/ SHAFT, 1.18D 6.3L 0.63 (Tennant Industrial) |
$332.57
|
1 |
|
usually ships 10-13 days |
4 |
575-3434
|
PLUG, DRIVE, BRUSH (Tennant Industrial) |
$40.51
|
1 |
|
usually ships 10-13 days |
5 |
475-9237
|
PIN (Tennant Industrial) |
$6.67
|
4 |
|
usually ships 10-13 days |
6 |
275-1738
|
PIN, ROLL, .312D X 1.87L, .312/.318 (Tennant Industrial) |
$5.50
|
2 |
|
usually ships 1-5 days |
7 |
575-0807
|
SHAFT, LONG (Tennant Industrial) |
$16.84
|
1 |
|
usually ships 10-13 days |
8 |
275-1737
|
PIN, ROLL, .187D X 1.25L, .187/.192 (Tennant Industrial) |
$4.00
|
1 |
|
usually ships 1-5 days |
9 |
275-1694
|
PIN, ROLL, .250D X 1.25L, .250/.256 (Tennant Industrial) |
$4.00
|
1 |
|
usually ships 1-5 days |
10 |
575-4638
|
BUSHING (Tennant Industrial) |
$49.34
|
1 |
|
usually ships 10-13 days |
11 |
175-3274
|
Screw M6-1 x 16mm flat |
$3.17
|
3 |
|
usually ships 1-5 days |
12 |
999-1308
|
Nut M6-1 hex stainless steel |
$0.99
|
3 |
|
ships same day |
13 |
575-6250
|
SHEAVE, IDLER, BRUSH DRIVE (Tennant Industrial) |
$73.18
|
1 |
|
usually ships 10-13 days |
14 |
575-0549
|
BEARING, BALL (Tennant Industrial) |
$13.34
|
2 |
|
usually ships 10-13 days |
15 |
175-9098
|
Basic retaining ring (Tennant Industrial) |
$5.50
|
1 |
|
usually ships 10-13 days |
16 |
275-1732
|
Retaining ring (Tennant Industrial) |
$4.17
|
1 |
|
usually ships 1-5 days |
17 |
475-9539
|
FITTING, GREASE, STR 6MM (Tennant Industrial) |
$8.34
|
1 |
|
usually ships 10-13 days |
18a |
675-4413
|
SHEAVE ASSY, DRIVE, BRUSH [S10] (Tennant Industrial) |
$501.10
|
1 |
(includes 18b-23) |
usually ships 10-13 days |
18b |
575-3961
|
SHEAVE, HALF, INNER (Tennant Industrial) |
$43.01
|
1 |
|
usually ships 10-13 days |
19 |
175-9238
|
Dowel pin 1/4 x 1-1/2 |
$4.49
|
2 |
|
usually ships 10-13 days |
20 |
575-3221
|
SHEAVE, HALF, OUTER (Tennant Industrial) |
$35.67
|
1 |
|
usually ships 10-13 days |
21 |
275-1711
|
RETAINER (Tennant Industrial) |
$20.17
|
2 |
|
usually ships 10-13 days |
22 |
275-1709
|
SPRING, EXTN, 0.41OD 0.07WIR 01.6L (Tennant Industrial) |
$12.34
|
3 |
|
usually ships 10-13 days |
23 |
175-9339
|
Screw M6-1 x 8mm set socket |
$5.28
|
2 |
|
usually ships 10-13 days |
24 |
175-8818
|
Square keyway |
$4.49
|
1 |
|
usually ships 10-13 days |
25 |
275-1712
|
BELT, V [A-16, HY-T] (Tennant Industrial) |
$49.51
|
1 |
|
usually ships 10-13 days |