| # | Part | Description | Price | Req | Notes | Availability |
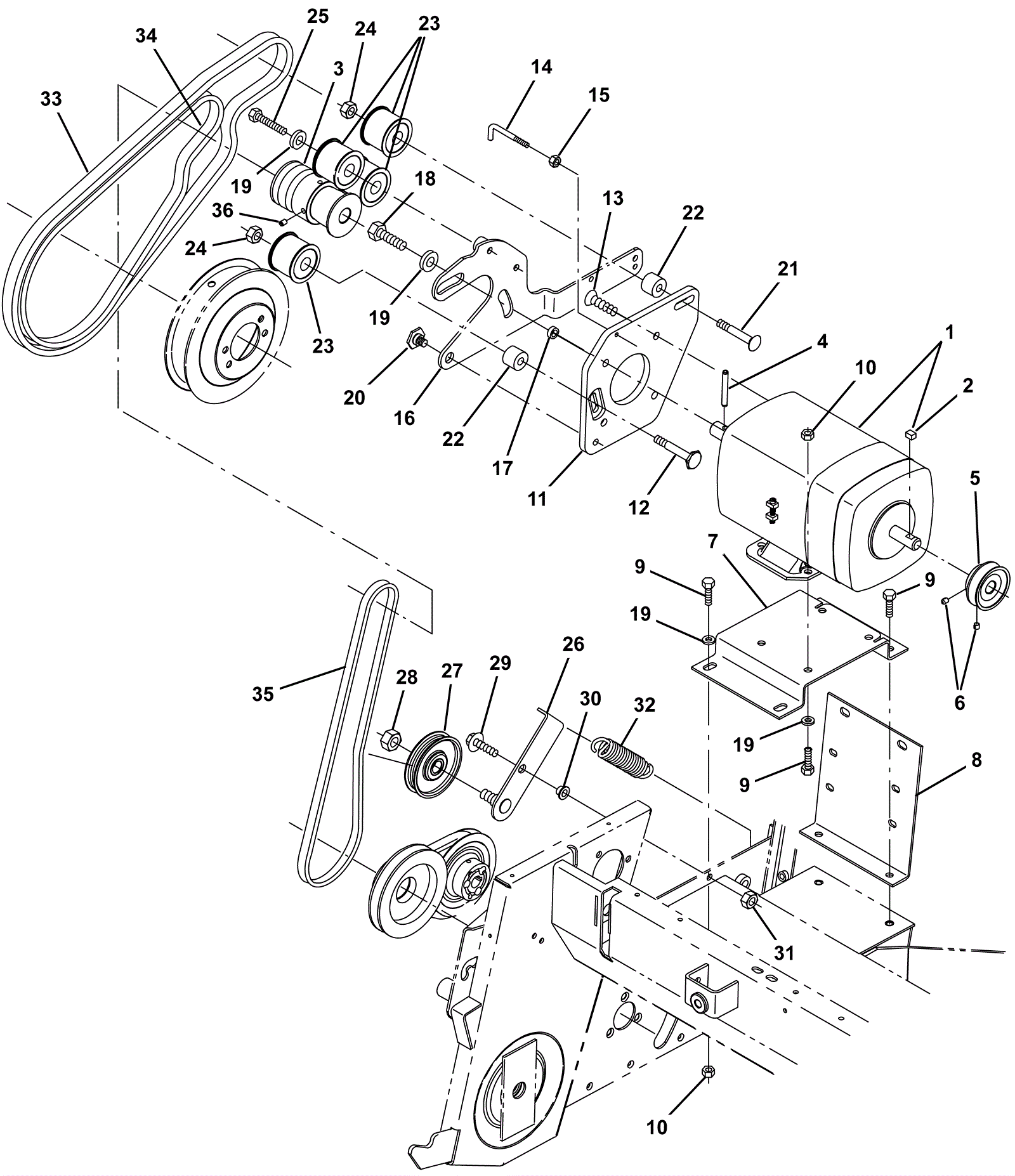
1 |
275-1664
|
MOTOR, ELE, 24VDC 2000RPM 1.00HP 40.0A (Tennant Industrial) |
$865.06
|
1 |
(includes item 2) |
usually ships 1-5 days |
2 |
175-9159
|
Woodruff key |
$3.30
|
1 |
|
usually ships 1-5 days |
3 |
575-6062
|
SHEAVE, COMBINATION (Tennant Industrial) |
$68.18
|
1 |
|
usually ships 10-13 days |
4 |
275-1660
|
PIN, ROLL, .250D X 2.00L, .250/.256 (Tennant Industrial) |
$5.67
|
1 |
|
usually ships 10-13 days |
5 |
575-5190
|
SHEAVE, 1GRV, 3.045PD 0.63B [4L] (Tennant Industrial) |
$57.84
|
1 |
|
usually ships 10-13 days |
6 |
175-4926
|
Screw 5/16-18 x 3/8 set nylon lock |
$5.28
|
2 |
|
ships same day |
7 |
575-3907
|
BRACKET, MOUNT, MOTOR (Tennant Industrial) |
$45.34
|
1 |
|
usually ships 10-13 days |
8 |
575-3052
|
SUPPORT, TRAY, BATTERY (Tennant Industrial) |
$37.01
|
1 |
|
usually ships 10-13 days |
9 |
999-0499
|
Bolt M8-1.25 x 20mm hex head full thread stainless steel |
$1.85
|
8 |
|
ships same day |
10 |
999-0471
|
Nut M8-1.25 nylon insert lock zinc plated |
$0.99
|
6 |
|
ships same day |
11 |
575-6442
|
PLATE, PIVOT, DIR (Tennant Industrial) |
$83.02
|
1 |
|
usually ships 10-13 days |
12 |
275-1671
|
SCREW, LEVEL .38-16 X 2.50 (Tennant Industrial) |
$10.84
|
1 |
|
usually ships 10-13 days |
13 |
275-1130
|
SCREW, FLT, SOC, .38-16 X 0.75, AL (Tennant Industrial) |
$6.67
|
2 |
|
usually ships 1-5 days |
14 |
475-9851
|
RETAINER, BELT (Tennant Industrial) |
$10.67
|
1 |
|
usually ships 10-13 days |
15 |
999-1308
|
Nut M6-1 hex stainless steel |
$0.99
|
1 |
|
ships same day |
16 |
575-7052
|
LEVER WLDT, CNTRL, DIR (Tennant Industrial) |
$101.69
|
1 |
|
usually ships 10-13 days |
17 |
275-1661
|
TUBE, 0.38ID 0.56OD 00.2L, STL, PL (Tennant Industrial) |
$23.50
|
2 |
|
usually ships 1-5 days |
18 |
999-0038
|
Bolt 3/8-16 x 1 hex head grade 5 zinc plated |
$1.87
|
2 |
|
ships same day |
19 |
999-0024
|
Washer 5/16 flat stainless steel |
$1.34
|
12 |
|
ships same day |
20 |
275-1656
|
BOLT, .38-16, PIVOT, DIR CNTRL (Tennant Industrial) |
$66.18
|
1 |
|
usually ships 1-5 days |
21 |
275-0090
|
BOLT, CARRIAGE, .38-16 X 2.50, 5 (Tennant Industrial) |
$4.17
|
1 |
|
usually ships 1-5 days |
22 |
475-9850
|
SPACER, PLATE, DIR (Tennant Industrial) |
$9.50
|
2 |
|
usually ships 10-13 days |
23 |
175-9092
|
Flat sheave 1-13/16 x 1-3/8 x 43/64 |
$47.63
|
4 |
|
usually ships 1-5 days |
24 |
175-6922
|
Nut 3/8 - 16 hex lock |
$4.49
|
2 |
|
usually ships 1-5 days |
25 |
999-0039
|
Bolt 3/8-16 x 1 1/4 hex head grade 5 zinc plated |
$0.99
|
2 |
|
ships same day |
26 |
575-5262
|
ARM ASSY, IDLER (Tennant Industrial) |
$64.18
|
1 |
|
usually ships 10-13 days |
27 |
575-5363
|
PULLEY ASSY (Tennant Industrial) |
$58.35
|
1 |
|
usually ships 10-13 days |
28 |
999-0519
|
Nut M12-1.75 nylon insert lock stainless steel |
$3.85
|
1 |
|
ships same day |
29 |
999-0499
|
Bolt M8-1.25 x 20mm hex head full thread stainless steel |
$1.85
|
1 |
|
ships same day |
30 |
475-9540
|
RETAINER (Tennant Industrial) |
$8.34
|
1 |
|
usually ships 10-13 days |
31 |
999-0471
|
Nut M8-1.25 nylon insert lock zinc plated |
$0.99
|
1 |
|
ships same day |
32 |
275-1700
|
SPRING, EXTN, 0.62OD 0.07WIR 04.0L (Tennant Industrial) |
$41.84
|
1 |
|
usually ships 1-5 days |
33 |
175-0856
|
BELT, FLAT, 1.25W X 38.80 (Tennant Industrial) |
$48.18
|
1 |
|
usually ships 10-13 days |
34 |
175-0855
|
BELT, FLAT, 1.25W X 33.50 (Tennant Industrial) |
$61.01
|
1 |
|
usually ships 10-13 days |
35 |
275-1704
|
BELT, V, 34.5L, SPCL [3L] (Tennant Industrial) |
$36.34
|
1 |
|
usually ships 10-13 days |
36 |
175-9339
|
Screw M6-1 x 8mm set socket |
$5.28
|
2 |
(after SN 007620) |
usually ships 10-13 days |