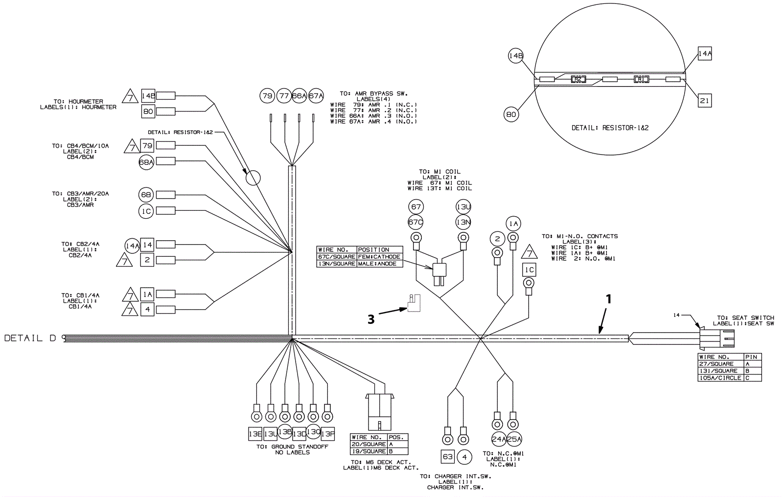
T7AMR
Wire Harnesses Assembly 3 - Between SN 09999999 and 10962696
Click to enlarge
#
Part
Description
Price
Req
Notes
Availability
1
375-7782
Main electrical harness
$858.77
1
usually ships 10-13 days
3
175-2216
Diode plug
$14.19
2
(after SN 09999999)
usually ships 10-13 days