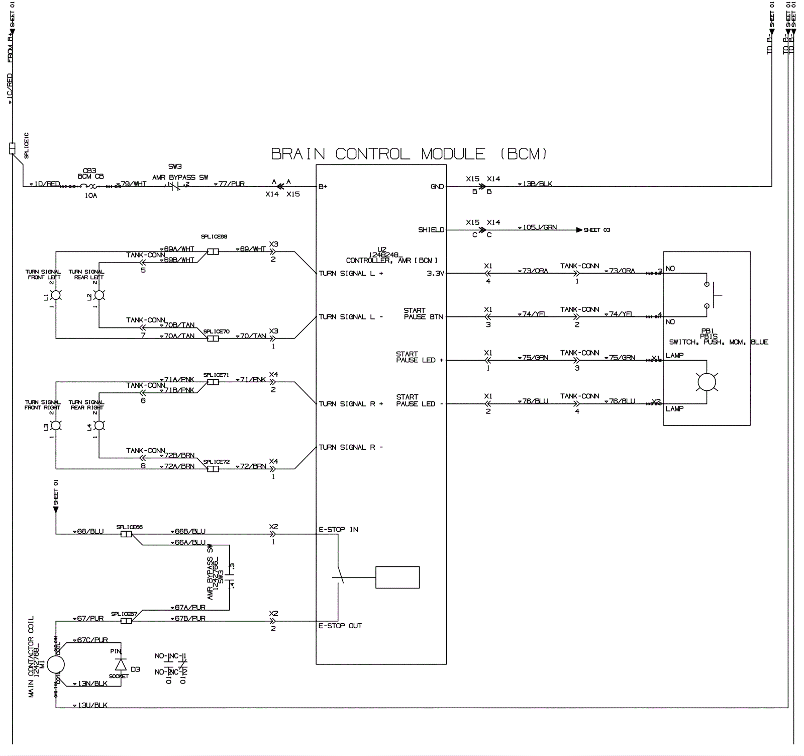
Electrical Schematic 8 - After SN 10962696
Click to enlarge