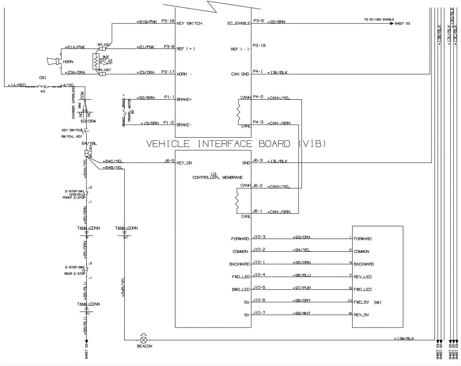
Electrical Schematic 7 - After SN 10962696
Click to enlarge