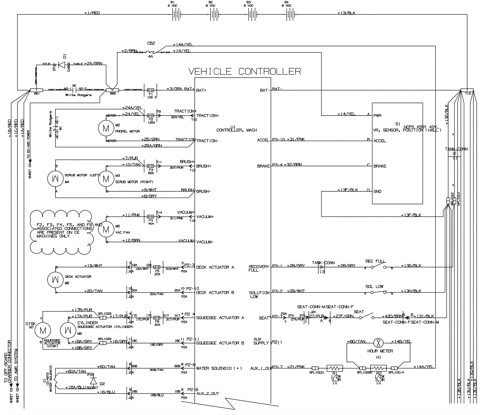
Electrical Schematic 6 - After SN 10962696
Click to enlarge