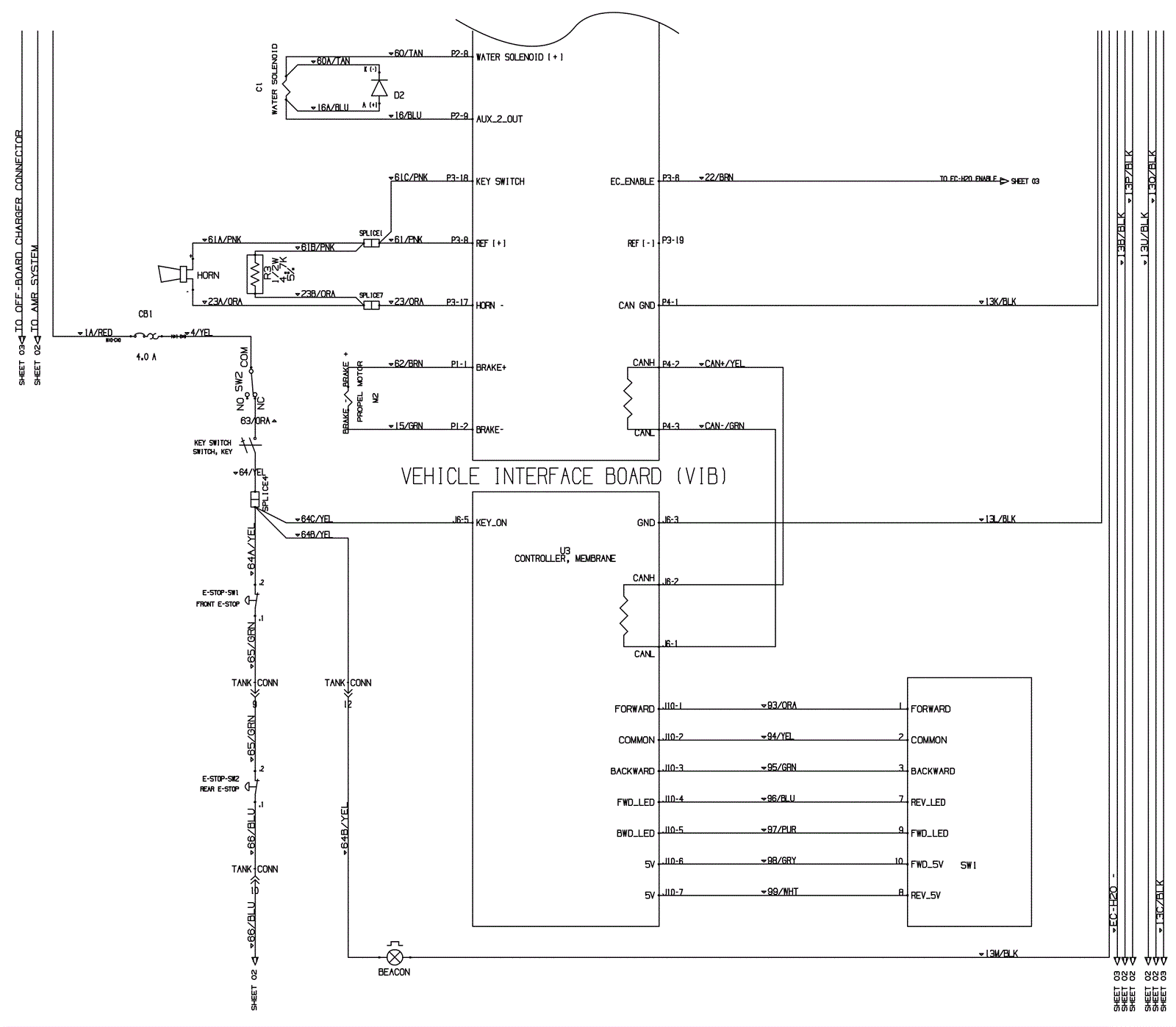
Electrical Schematic 2 - Between SN 09999999 and 10962698
Click to enlarge