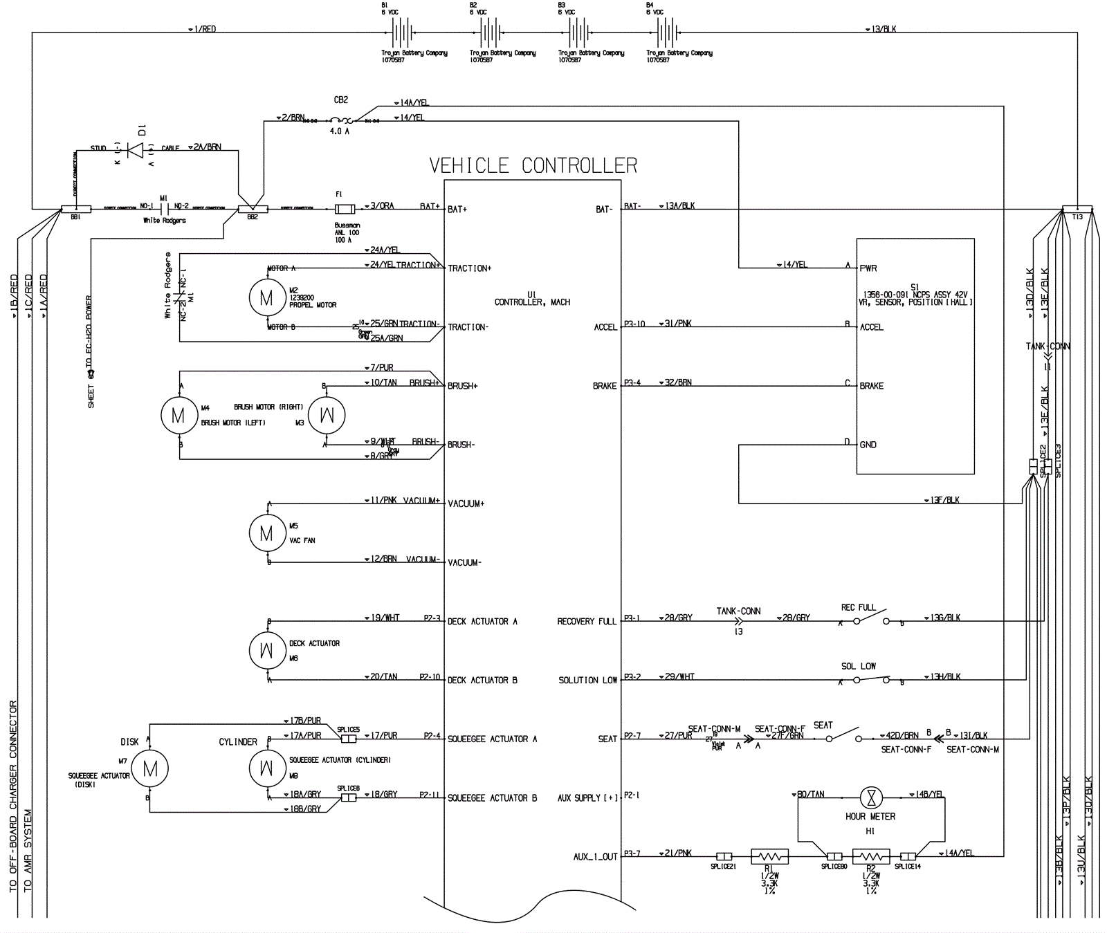
Electrical Schematic 1 - Between SN 09999999 and 10962698
Click to enlarge