| # | Part | Description | Price | Req | Notes | Availability |
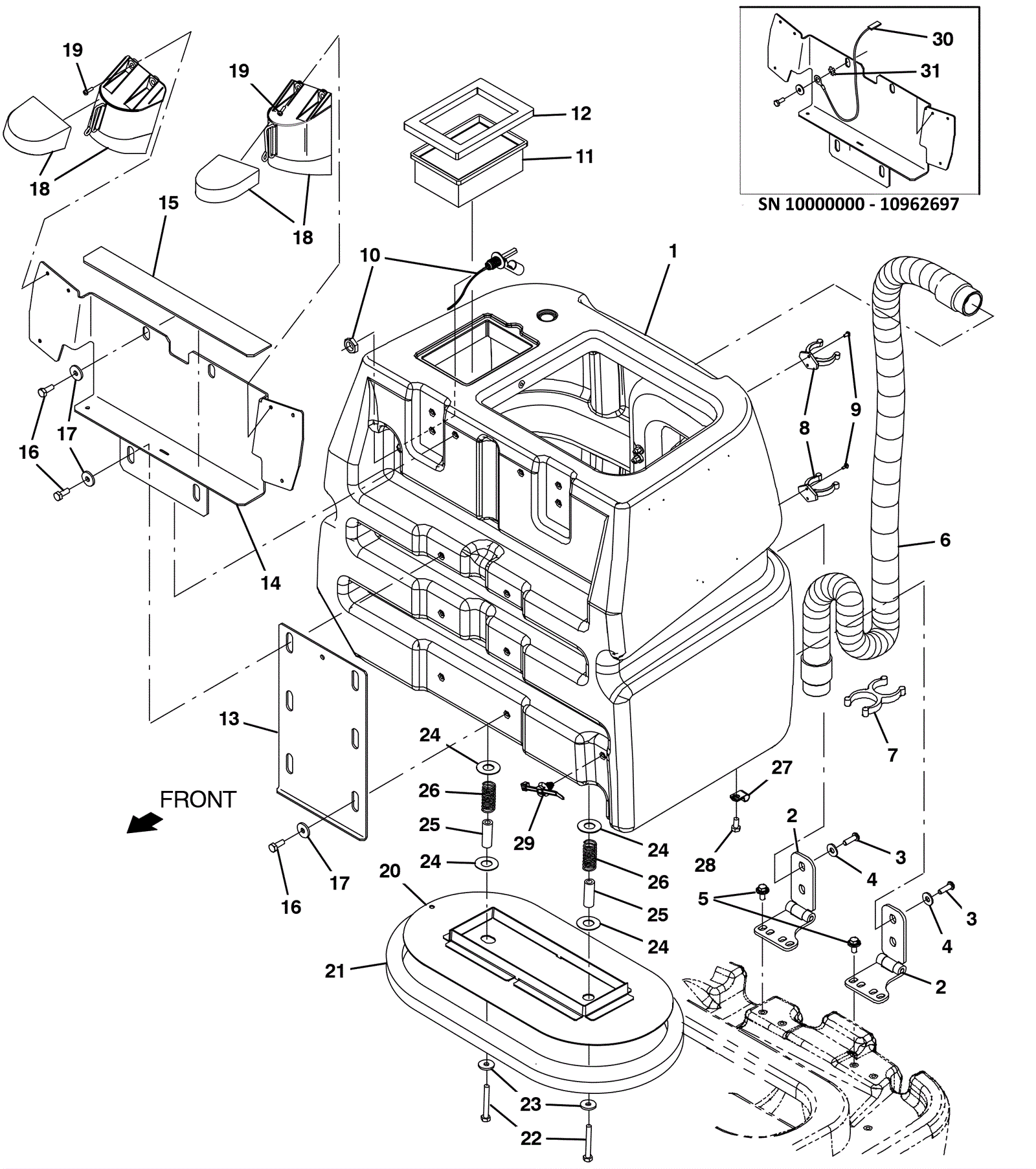
1 |
375-7730
|
Recovery tank (Tennant Industrial) |
$1,658.83
|
1 |
|
usually ships 10-13 days |
2 |
275-9394
|
Hinge weldment kit |
$43.23
|
2 |
|
ships same day |
3 |
175-4927
|
Screw M8-1.25 x 20mm button head |
$4.36
|
4 |
|
ships same day |
4 |
275-8068
|
Washer 1/2 flat steel |
$4.49
|
4 |
|
ships same day |
5 |
275-4736
|
Screw M8-1.25 x 20mm hex washer head stainless steel SEMS |
$4.49
|
4 |
|
ships same day |
6 |
175-7966
|
Vacuum hose with short cuffs |
$54.12
|
1 |
|
ships same day |
7 |
175-4772
|
Hose bracket |
$5.28
|
1 |
|
ships same day |
8 |
275-8165
|
Hose clip |
$6.49
|
2 |
|
ships same day |
9 |
999-0521
|
Screw M4-.7 x 12mm pan head phillips zinc |
$2.31
|
4 |
|
ships same day |
10 |
175-9554
|
Float switch |
$85.47
|
1 |
|
ships same day |
11 |
175-2259
|
Vacuum fan filter |
$22.22
|
1 |
|
ships same day |
12 |
275-8164
|
Filter gasket |
$10.89
|
1 |
|
ships same day |
13 |
275-8162
|
Tank support plate |
$48.40
|
1 |
|
ships same day |
14 |
375-7731
|
Support tank bracket weldment |
$336.16
|
1 |
|
usually ships 10-13 days |
15 |
275-8159
|
Rubber pad |
$16.06
|
1 |
|
usually ships 10-13 days |
16 |
999-0499
|
Bolt M8-1.25 x 20mm hex head full thread stainless steel |
$1.85
|
8 |
|
ships same day |
17 |
175-7920
|
Washer M8 flat stainless steel |
$4.49
|
8 |
|
ships same day |
18 |
375-7732
|
Safety belt |
$470.36
|
2 |
|
usually ships 10-13 days |
19 |
999-9113
|
Screw M4-.7 x 16mm pan head phillips stainless steel |
$0.99
|
6 |
|
ships same day |
20 |
275-8155
|
Plate weldment |
$217.58
|
1 |
|
usually ships 10-13 days |
21 |
275-8156
|
Seal |
$121.55
|
1 |
|
usually ships 10-13 days |
22 |
999-1368
|
Screw M8-1.25 x 60mm hex head stainless steel |
$3.41
|
2 |
|
ships same day |
23 |
175-7920
|
Washer M8 flat stainless steel |
$4.49
|
2 |
|
ships same day |
24 |
175-7361
|
Washer 11/16 x 1/2 flat stainless steel |
$7.15
|
4 |
|
ships same day |
25 |
275-8157
|
Spacer |
$15.84
|
2 |
|
usually ships 10-13 days |
26 |
275-1215
|
Compression spring |
$5.50
|
2 |
|
usually ships 10-13 days |
27 |
175-2260
|
P clamp |
$5.28
|
1 |
|
usually ships 10-13 days |
28 |
999-0784
|
Screw M8-1.25 x 16mm hex head stainless steel |
$1.74
|
1 |
|
ships same day |
29 |
275-5197
|
Fir tree clip |
$2.38
|
1 |
|
usually ships 10-13 days |
30 |
375-0108
|
Electrical harness |
$7.04
|
1 |
(SN from 10000000-10962697) |
usually ships 10-13 days |
31 |
175-2893
|
Washer 5/16 internal/external locking |
$4.49
|
1 |
(SN from 10000000-10962697) |
usually ships 10-13 days |