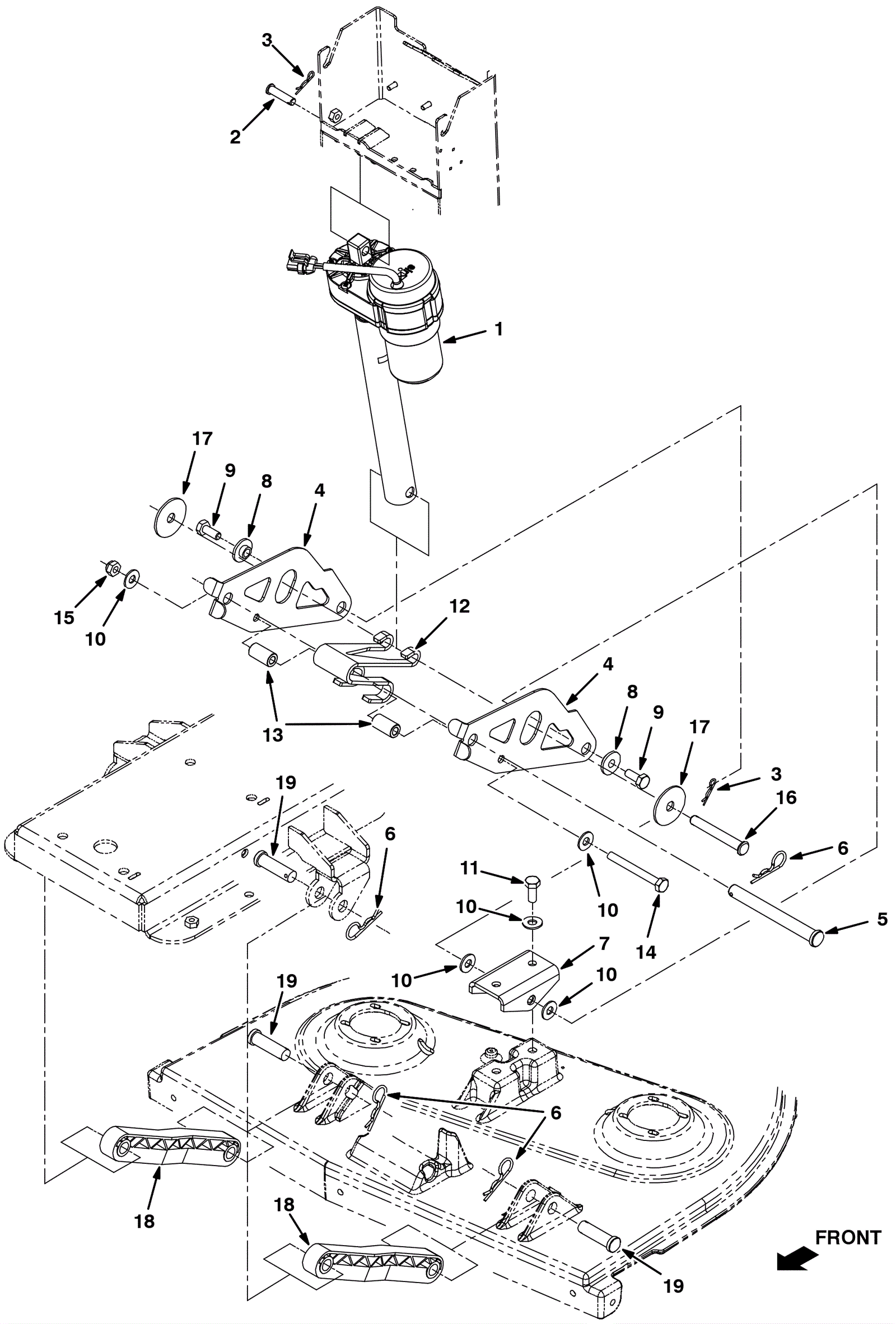
| # | Part | Description | Price | Req | Notes | Availability | 
|---|
          
            
            
                
                  
                  
                  
				       
				      1a | 275-9376 | 24V actuator | $421.08 | 1 |  | ships same day | 1b | 991-1915 | 24V actuator | $268.42 | 1 | (NON-OEM) | ships same day | 2 | 275-8112 | Clevis pin | $8.25 | 1 |  | ships same day | 3 | 175-2113 | Cotter pin | $3.30 | 2 |  | ships same day | 4 | 275-8113 | Center arm plate | $113.85 | 2 |  | ships same day | 5 | 275-8114 | Clevis pin | $31.68 | 1 |  | ships same day | 6 | 175-2106 | Cotter hair pin | $4.49 | 5 |  | ships same day | 7 | 275-8115 | Lifting bracket | $67.10 | 1 |  | ships same day | 8 | 175-3287 | Flanged bushing | $6.27 | 2 |  | ships same day | 9 | 999-1372 | Bolt M10-1.5 x 25mm hex head stainless steel | $3.56 | 2 |  | ships same day | 10 | 999-0355 | Washer 3/8 x 7/8 SAE flat stainless steel | $0.99 | 6 |  | ships same day | 11 | 999-1372 | Bolt M10-1.5 x 25mm hex head stainless steel | $3.56 | 2 |  | ships same day | 12 | 275-8117 | Spring lift | $126.83 | 1 |  | usually ships 10-13 days | 13 | 275-8118 | P/M sleeve stainless steel | $8.25 | 2 |  | ships same day | 14 | 999-1408 | Screw M10-1.5 x 90mm hex head stainless steel | $4.29 | 1 |  | ships same day | 15 | 999-1120 | Nut M10-1.5 nylon insert lock stainless steel | $3.92 | 1 |  | ships same day | 16 | 275-8119 | Clevis pin | $12.98 | 1 |  | ships same day | 17 | 175-2274 | Washer .53 steel plated | $4.49 | 2 |  | ships same day | 18 | 175-2102 | Scrub head lifting arm | $53.46 | 2 |  | usually ships 10-13 days | 19 | 175-2105 | Clevis pin | $7.37 | 4 |  | ships same day |