| # | Part | Description | Price | Req | Notes | Availability |
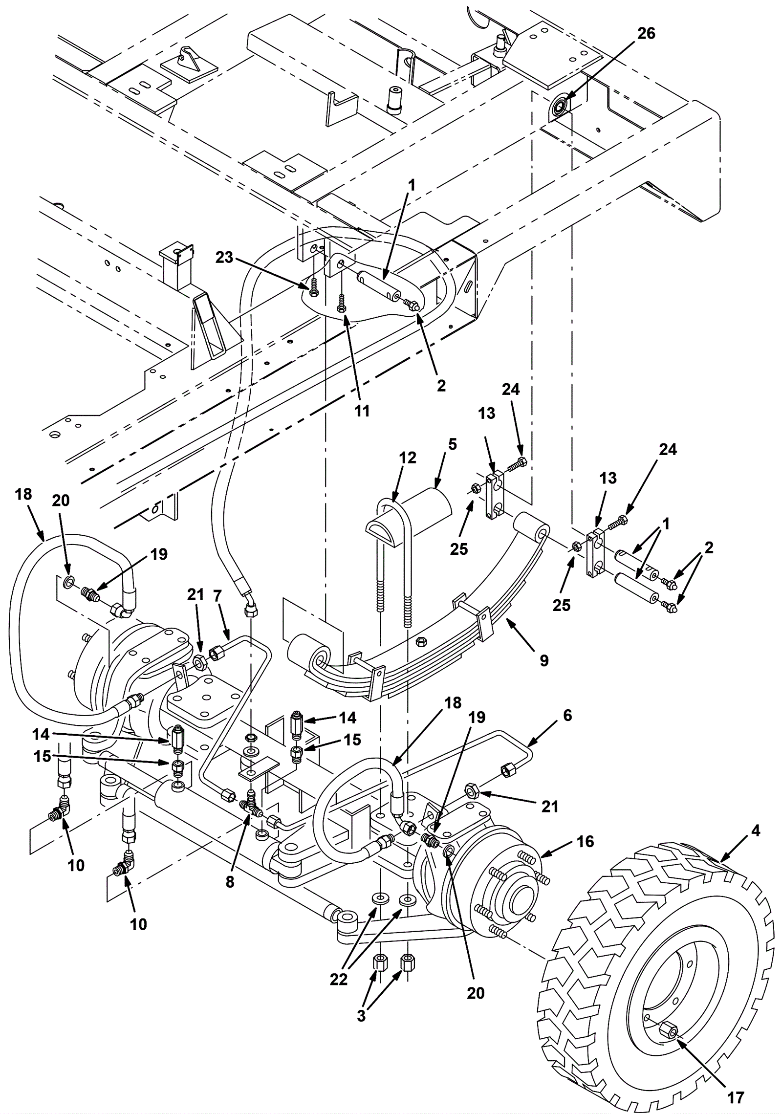
1 |
575-3930
|
PIN, SPRING, LEAF [1PICK=1PC] (Tennant Industrial) |
$45.84
|
6 |
|
usually ships 10-13 days |
2 |
475-9132
|
FITTING, GREASE, STR PM02 .66L (Tennant Industrial) |
$6.83
|
6 |
|
usually ships 10-13 days |
3 |
475-9834
|
NUT, SPCL, U BOLT, .75-16 [DP] (Tennant Industrial) |
$10.50
|
8 |
|
usually ships 10-13 days |
4A |
675-8035
|
WHEEL ASSY, W/ TIRE, PNEU [1LB] (Tennant Industrial) |
$2,559.68
|
2 |
(includes 4C-4D and 4F-4G) |
usually ships 10-13 days |
4B |
275-7144
|
Tire Assy, Radial, 700 X 12, W/ Rim |
$3,306.66
|
2 |
(includes 4C, 4E-4G) |
usually ships 1-5 days |
4C |
375-1647
|
6 bolt wheel with hub (Tennant Industrial) |
$1,120.56
|
1 |
|
usually ships 10-13 days |
4D |
675-5777
|
TIRE, W/ FLAP, 7.00X 12/16PLY (Tennant Industrial) |
$859.01
|
1 |
|
usually ships 10-13 days |
4E |
675-8063
|
TIRE, 7.00X12, RADIAL (Tennant Industrial) |
$2,624.52
|
1 |
|
usually ships 10-13 days |
4F |
575-7066
|
INNERTUBE, 7.00 X 12.00 [TR440] (Tennant Industrial) |
$90.18
|
1 |
|
usually ships 10-13 days |
4G |
175-2274
|
Washer .53 steel plated |
$4.49
|
1 |
|
ships same day |
5 |
575-3594
|
PLATE, SPRING, U BOLT (Tennant Industrial) |
$43.84
|
2 |
|
usually ships 10-13 days |
6 |
575-7824
|
BRAKELINE, REAR, LH (Tennant Industrial) |
$105.85
|
1 |
|
usually ships 10-13 days |
7 |
575-7825
|
BRAKELINE, REAR, RH, 04JF/04J (Tennant Industrial) |
$105.85
|
1 |
|
usually ships 10-13 days |
8 |
575-6500
|
FITTING, HYD, TEE, JM04/JM04/JM04,BH BR (Tennant Industrial) |
$75.02
|
1 |
|
usually ships 10-13 days |
9 |
675-6640
|
SPRING, LEAF, 35.00L, REAR, 0.401 (Tennant Industrial) |
$1,203.74
|
2 |
|
usually ships 10-13 days |
10 |
575-3050
|
FITTING, HYD, E90, FM06/OM06 (Tennant Industrial) |
$33.51
|
2 |
|
usually ships 10-13 days |
11 |
475-8003
|
SCREW, HEX, .38-16 X 1.25, FL (Tennant Industrial) |
$4.17
|
2 |
|
usually ships 10-13 days |
12 |
575-3929
|
BOLT, U, SPRING, REAR [830] (Tennant Industrial) |
$45.84
|
4 |
|
usually ships 10-13 days |
13 |
575-9578
|
BAR, SHACKLE, SPRING [830, 1PICK=1BAR] (Tennant Industrial) |
$170.70
|
4 |
|
usually ships 10-13 days |
14 |
675-0220
|
FITTING, HYD, STR, SPCL (Tennant Industrial) |
$177.87
|
2 |
|
usually ships 10-13 days |
15 |
575-0725
|
FITTING, HYD, STR, OF04/OM06 (Tennant Industrial) |
$15.84
|
2 |
|
usually ships 10-13 days |
16 |
675-9293
|
AXLE, REAR (Tennant Industrial) |
$38,219.31
|
1 |
(includes 17-21) |
usually ships 10-13 days |
17 |
575-4068
|
VR, NUT, WHEEL, FLNG [830] (Tennant Industrial) |
$44.34
|
12 |
|
usually ships 10-13 days |
18 |
675-2102
|
HOSE, BRAKELINE, 04JF/04JM (Tennant Industrial) |
$288.56
|
2 |
|
usually ships 10-13 days |
19 |
575-2742
|
VR, FITTING, BRAKELINE (Tennant Industrial) |
$31.84
|
2 |
|
usually ships 10-13 days |
20 |
575-1346
|
WASHER, SEALING, FTG, BRAKELINE [830] (Tennant Industrial) |
$20.00
|
2 |
|
usually ships 10-13 days |
21 |
475-9520
|
VR, NUT, BRAKE, M16 X 1.5 (Tennant Industrial) |
$10.00
|
2 |
|
usually ships 10-13 days |
22 |
475-8835
|
WASHER, SPCL, U BOLT, .75 (Tennant Industrial) |
$6.17
|
8 |
|
usually ships 10-13 days |
23 |
275-2831
|
SCREW, HEX, .38-16 X 0.75, G5 (Tennant Industrial) |
$5.67
|
2 |
|
usually ships 1-5 days |
24 |
475-8713
|
SCREW, HEX, .38-16 X 2.00, G5 (Tennant Industrial) |
$5.67
|
8 |
|
usually ships 10-13 days |
25 |
999-0324
|
Nut 3/8-16 nylon insert lock jam zinc plated |
$0.99
|
8 |
|
ships same day |
26 |
575-6772
|
BUSHING, 1.125 X .875 X 3.00 (Tennant Industrial) |
$83.18
|
2 |
|
usually ships 10-13 days |