| # | Part | Description | Price | Req | Notes | Availability |
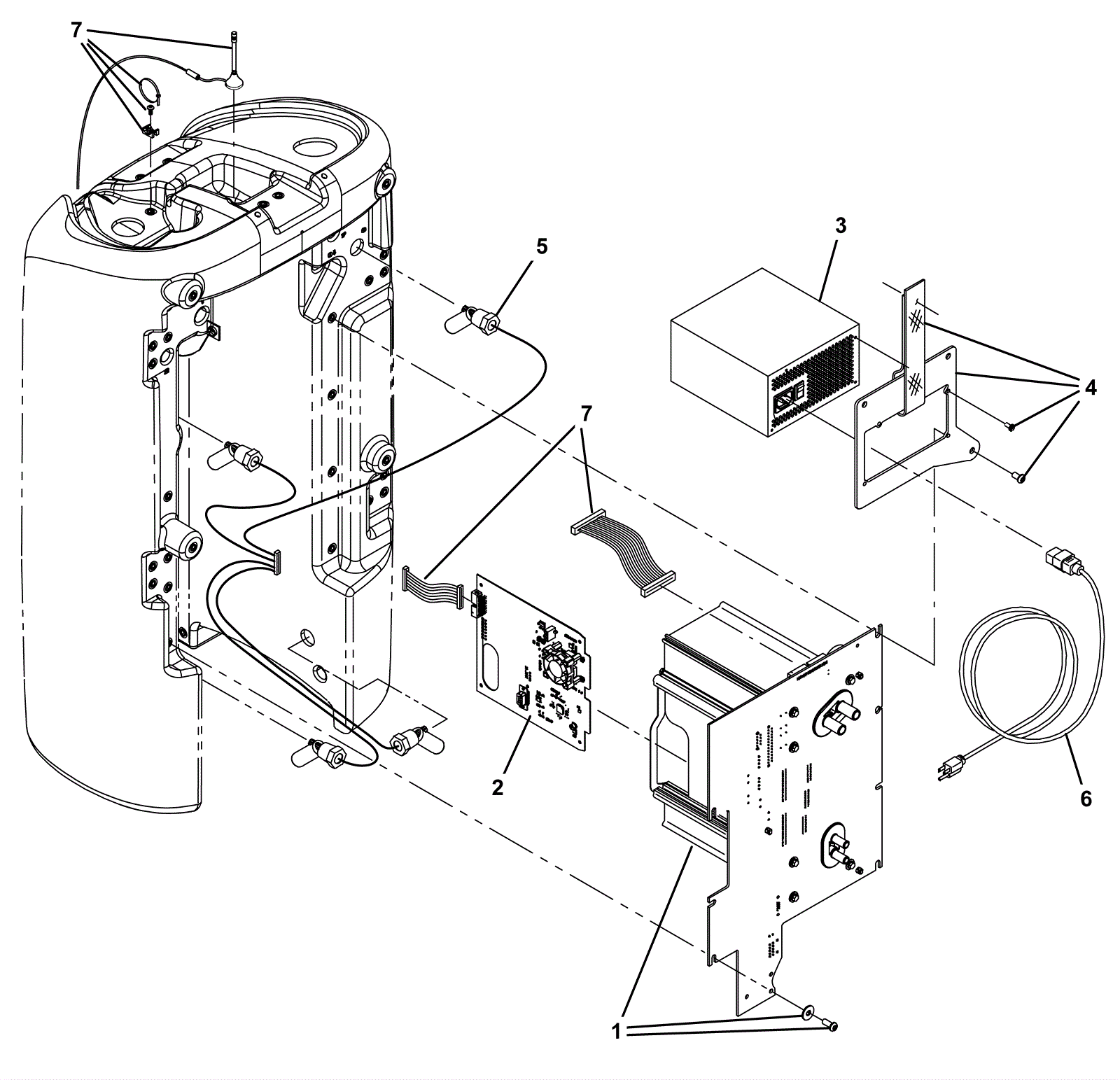
1 |
475-4056
|
SERVICE KIT, CHASSIS, OS3 |
$1,511.70
|
1 |
|
usually ships 10-13 days |
2 |
475-3992
|
SERVICE KIT, POWER PCB REPLACEMENT, OS3 |
$525.25
|
2 |
|
ships same day |
3 |
475-3921
|
SERVICE ITEM, POWER SUPPLY, OS3 |
$304.37
|
3 |
|
usually ships 10-13 days |
4 |
475-3620
|
SERVICE KIT, POWER SUPPLY BRACKET, OS3 |
$58.85
|
1 |
|
usually ships 10-13 days |
5 |
475-3749
|
SERVICE KIT, LEVEL SENSOR ASSY, OS3 |
$156.01
|
1 |
|
usually ships 10-13 days |
6 |
475-3386
|
AC LINE CORD, 110V, 7.5 FT., 16 GA |
$22.44
|
1 |
|
usually ships 10-13 days |
7 |
475-3767
|
SERVICE KIT, INTERFACE WIRING, OS3 (OBSOLETE) |
$136.73
|
1 |
|
usually ships 10-13 days |