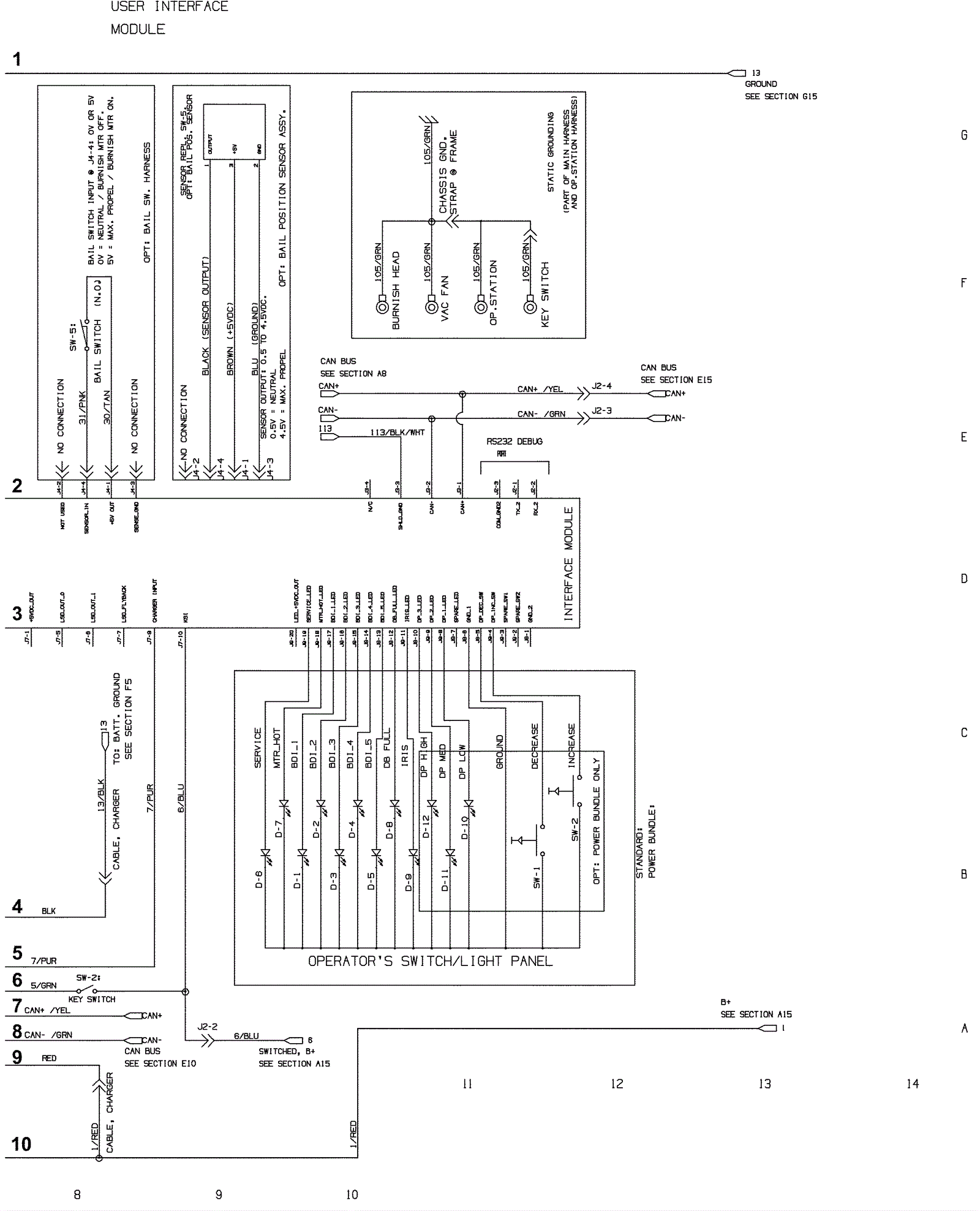
Electrical Diagram - Drive Model - Part 2
Click to enlarge