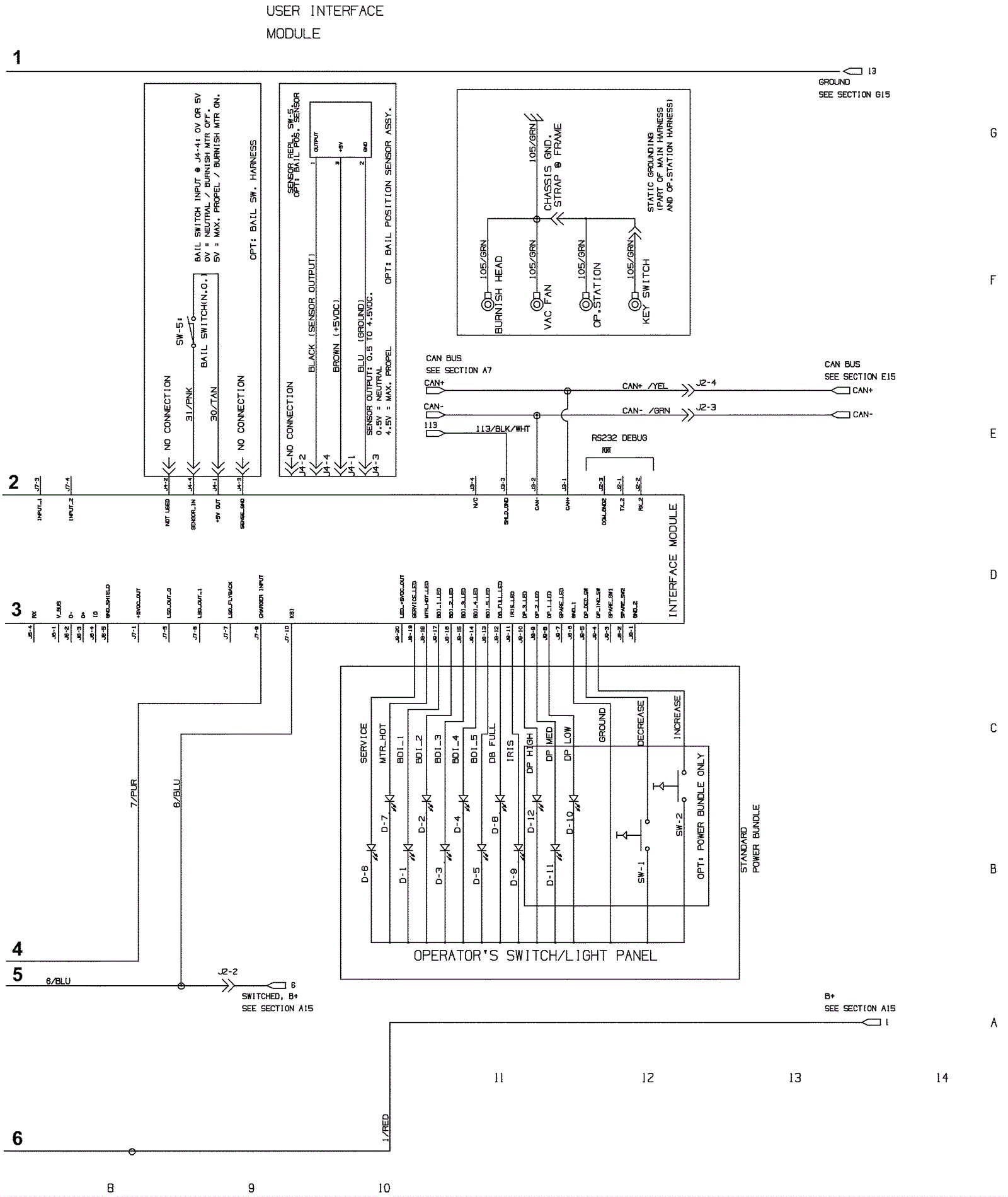
Electrical Diagram - Push Model - Part 2
Click to enlarge