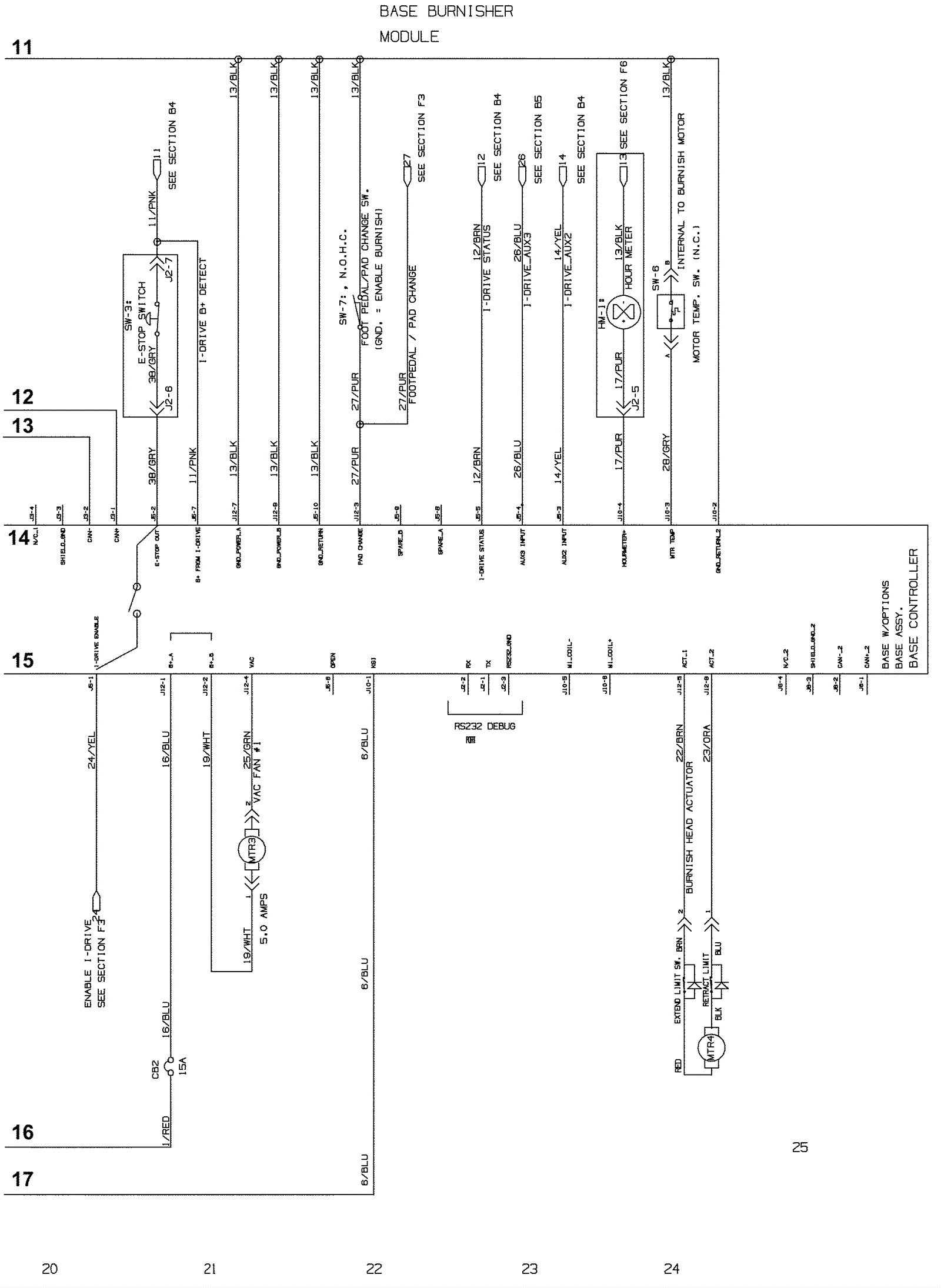
Electrical Diagram - Drive Model - Part 4
Click to enlarge