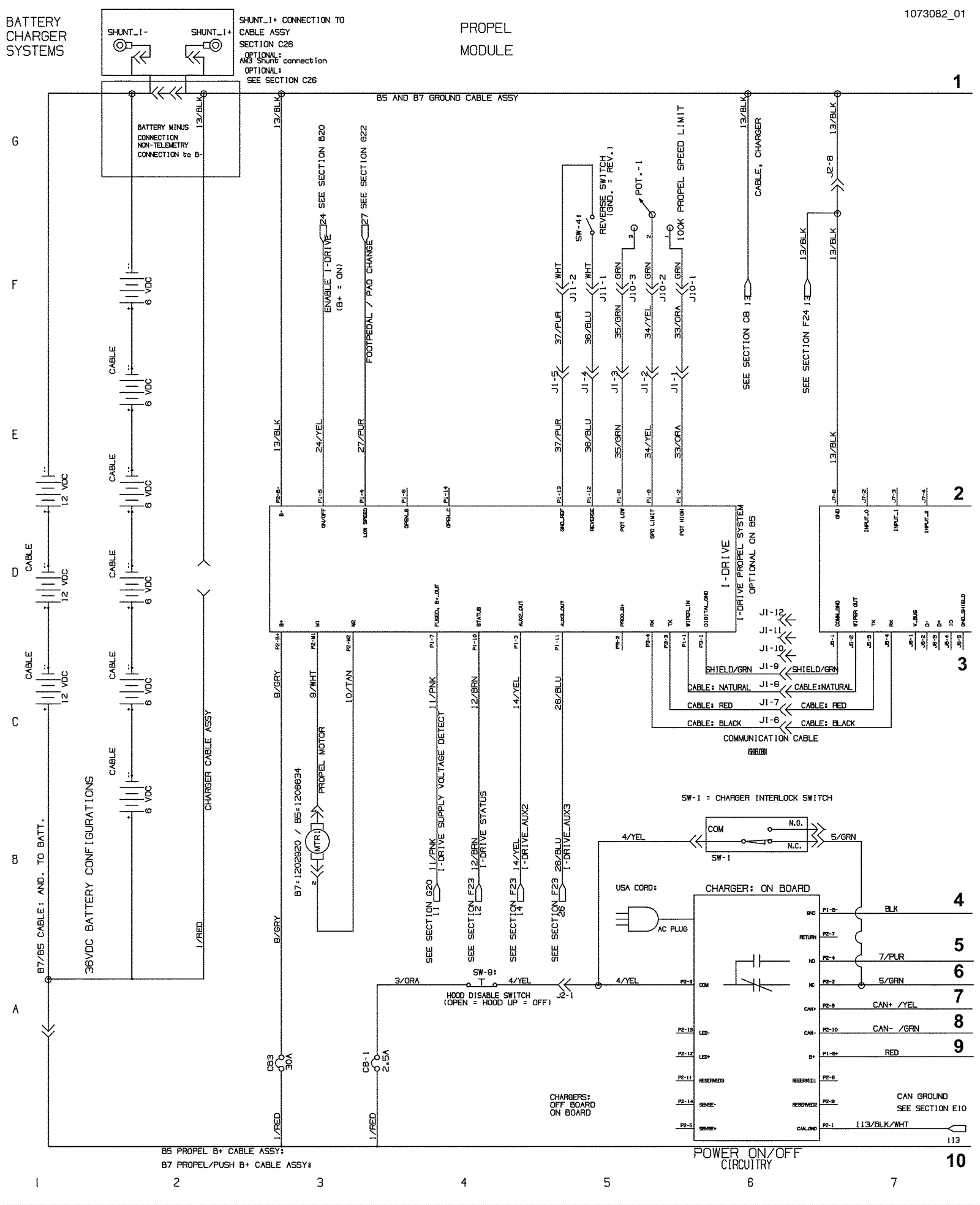
Electrical Diagram - Drive Model - Part 1
Click to enlarge