| # | Part | Description | Price | Req | Notes | Availability |
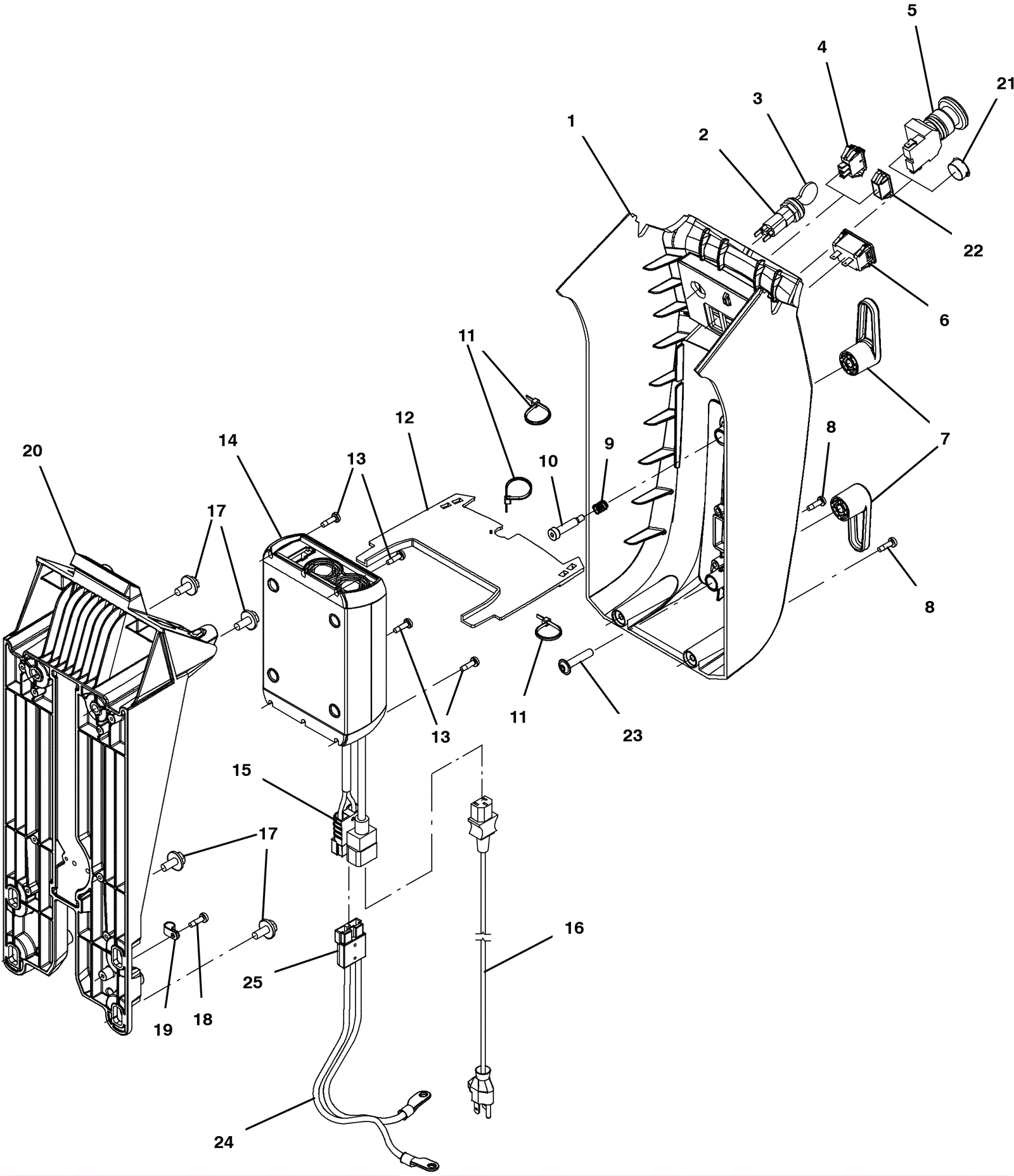
1 |
375-0182
|
Control column cover |
$158.29
|
1 |
|
usually ships 1-5 days |
2 |
175-7872
|
Key switch with 2 keys |
$53.13
|
1 |
(includes 3) |
ships same day |
3 |
991-1634
|
Key (pkg of 2) |
$14.21
|
1 |
|
ships same day |
4 |
275-4773
|
Rocker switch |
$8.25
|
1 |
|
ships same day |
5 |
275-1416
|
Safety shut-off switch |
$43.67
|
1 |
|
ships same day |
6 |
275-9900
|
Hour meter |
$57.64
|
1 |
|
usually ships 10-13 days |
7 |
275-5449
|
Cord hook |
$3.30
|
2 |
|
usually ships 10-13 days |
8a |
175-7660
|
Screw #10-14 x .675 shoulder self-tapping |
$3.30
|
2 |
(after SN 10795904) |
usually ships 10-13 days |
8b |
999-1403
|
Screw M8 x 16mm torx head |
$2.90
|
2 |
(before SN 10795905) |
ships same day |
9 |
175-7507
|
Compression spring |
$4.49
|
1 |
|
ships same day |
10 |
175-9855
|
Bolt M6-.8 x 30mm shield |
$8.25
|
2 |
|
usually ships 10-13 days |
11 |
175-7795
|
Cable tie |
$5.15
|
3 |
|
ships same day |
12 |
375-0183
|
Charger cover |
$14.30
|
1 |
|
usually ships 1-5 days |
13a |
175-7660
|
Screw #10-14 x .675 shoulder self-tapping |
$3.30
|
4 |
(after SN 10795904) |
usually ships 10-13 days |
13b |
999-1403
|
Screw M8 x 16mm torx head |
$2.90
|
4 |
(before SN 10795905) |
ships same day |
14a |
375-3181
|
24V charger kit |
$584.88
|
1 |
(includes 15) (charger kit required for models equipped with vented consoles) |
usually ships 10-13 days |
14b |
475-2669
|
CHARGER KIT, 24VDC 13A 100-240VAC[ON-BD] |
$731.61
|
1 |
(includes 14c, 15) (charger kit required for models equipped with vented consoles) |
usually ships 10-13 days |
14c |
375-7840
|
24V onboard charger |
$354.40
|
1 |
|
usually ships 10-13 days |
15 |
991-9284
|
50amp charger plug SB50 with pins (red) |
$6.47
|
1 |
|
ships same day |
16 |
275-1585
|
16/3 charger power cord 15 foot (black) |
$80.83
|
1 |
|
usually ships 1-5 days |
17 |
275-4736
|
Screw M8-1.25 x 20mm hex washer head stainless steel SEMS |
$4.49
|
4 |
|
ships same day |
18a |
175-7660
|
Screw #10-14 x .675 shoulder self-tapping |
$3.30
|
1 |
(after SN 10795904) |
usually ships 10-13 days |
18b |
999-1403
|
Screw M8 x 16mm torx head |
$2.90
|
1 |
(before SN 10795905) |
ships same day |
19 |
175-5421
|
P clamp |
$5.28
|
1 |
|
usually ships 10-13 days |
20a |
375-3182
|
Column frame |
$120.78
|
1 |
(after SN 10795904) |
usually ships 10-13 days |
20b |
375-0185
|
Control column frame |
$265.74
|
1 |
(before SN 10795905) |
usually ships 1-5 days |
21 |
175-3126
|
Plug |
$5.28
|
1 |
(push model) |
usually ships 10-13 days |
22 |
175-2698
|
Switch plug |
$6.49
|
1 |
(standard model) |
ships same day |
23 |
375-9373
|
Screw M6 x 1 x 30, 10.9 |
$1.45
|
1 |
(after SN 10982682) |
usually ships 10-13 days |
24 |
475-1496
|
HARNESS, CHRGR, 12GA [M8 RING/M8 RING] |
$51.37
|
1 |
(includes 25) |
ships same day |
25 |
991-9284
|
50amp charger plug SB50 with pins (red) |
$6.47
|
1 |
|
ships same day |