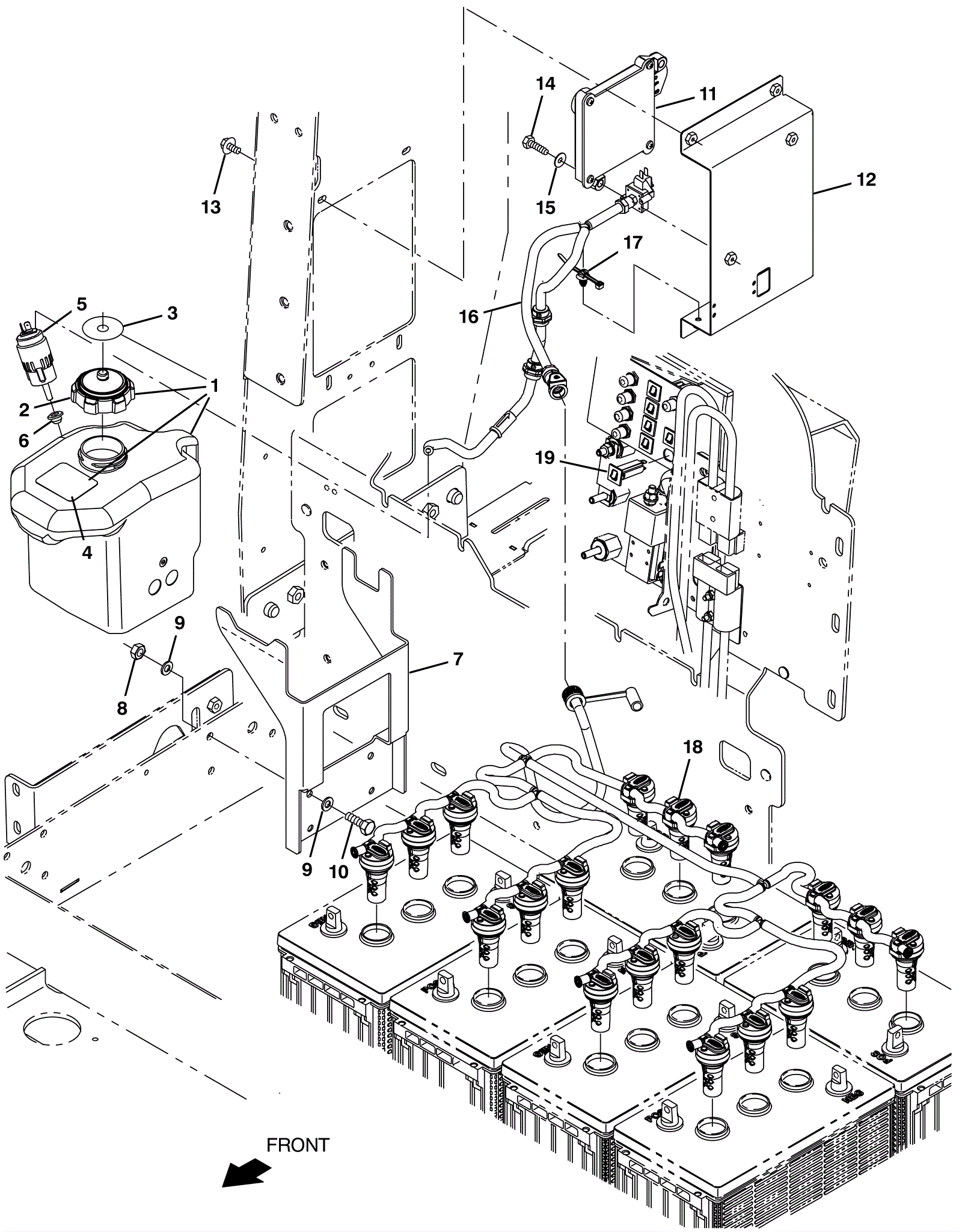
| # | Part | Description | Price | Req | Notes | Availability |
1 |
375-8446
|
Tank assembly |
Call for price
|
1 |
(includes 2-6) |
usually ships 10-13 days |
2 |
375-4630
|
Tank cap |
$26.07
|
1 |
|
usually ships 10-13 days |
3 |
375-3440
|
Automated battery watering decal |
$32.78
|
1 |
|
usually ships 10-13 days |
4 |
375-4250
|
Do not add detergent decal |
$22.11
|
1 |
|
usually ships 10-13 days |
5 |
375-4253
|
13.5V pump |
$46.09
|
1 |
|
ships same day |
6 |
375-4252
|
Pump grommet |
$2.38
|
1 |
|
usually ships 10-13 days |
7 |
375-8447
|
Tank mount bracket |
Call for price
|
1 |
|
usually ships 10-13 days |
8 |
999-0471
|
Nut M8-1.25 nylon insert lock zinc plated |
$0.99
|
4 |
|
ships same day |
9 |
999-0549
|
Washer 5/16 x 3/4 SAE flat stainless steel |
$0.99
|
8 |
|
ships same day |
10 |
999-0501
|
Bolt M8-1.25 x 25mm hex head full thread stainless steel |
$2.64
|
4 |
|
ships same day |
11 |
375-4633
|
24V battery controller kit |
$358.38
|
1 |
(intended for use with Trojan Lead Acid Batteries only) (requires Tennant True service or an authorized Tennant service provider) |
ships same day |
12 |
375-8448
|
Mount bracket weldment |
$75.02
|
1 |
|
usually ships 10-13 days |
13 |
999-1383
|
Screw M6-1 x 16mm hex head stainless steel |
$3.96
|
4 |
|
ships same day |
14 |
999-1087
|
Bolt M6-1 x 25mm hex head stainless steel |
$0.99
|
2 |
|
ships same day |
15 |
999-0335
|
Washer 1/4 x 5/8 SAE flat stainless steel |
$0.99
|
2 |
|
ships same day |
16 |
375-8449
|
Battery water delivery assembly |
$252.12
|
1 |
|
usually ships 10-13 days |
17 |
275-5197
|
Fir tree clip |
$2.38
|
1 |
|
usually ships 10-13 days |
18 |
375-7833
|
Battery water distribution assembly |
$320.98
|
1 |
|
usually ships 10-13 days |
19 |
275-5483
|
2.5amp circuit breaker |
$14.08
|
1 |
|
ships same day |