| # | Part | Description | Price | Req | Notes | Availability |
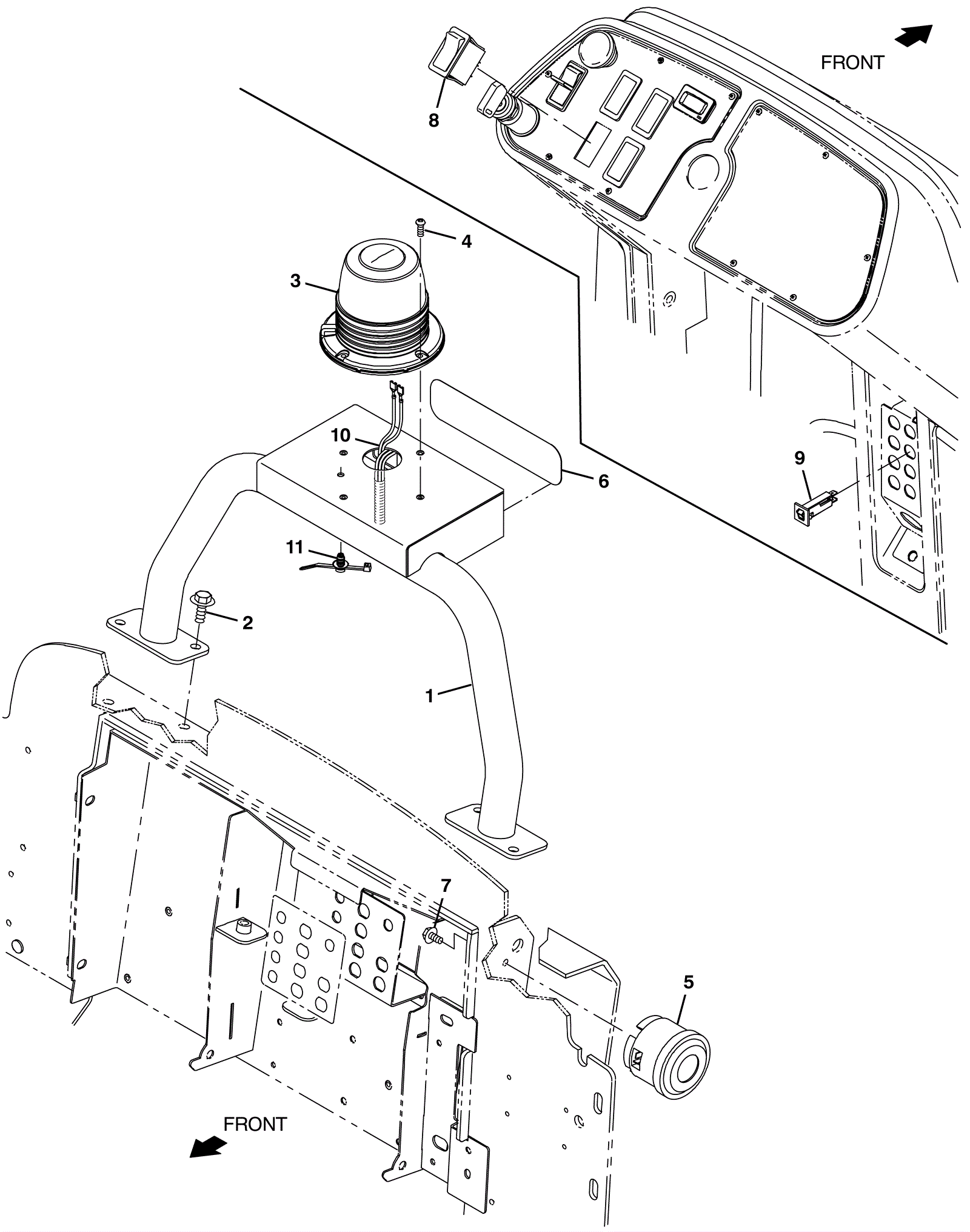
1 |
375-8439
|
Light bracket weldment |
$219.34
|
1 |
|
usually ships 10-13 days |
2 |
275-4736
|
Screw M8-1.25 x 20mm hex washer head stainless steel SEMS |
$4.49
|
4 |
|
ships same day |
3 |
375-4398
|
LED strobe light (Tennant Industrial) |
$318.23
|
1 |
|
usually ships 10-13 days |
4 |
999-1403
|
Screw M8 x 16mm torx head |
$2.90
|
4 |
|
ships same day |
5 |
275-7768
|
Backup alarm (Tennant Industrial) |
$178.04
|
1 |
|
usually ships 1-5 days |
6 |
375-8440
|
Taillight hole cover decal |
$112.52
|
1 |
|
usually ships 10-13 days |
7 |
999-1383
|
Screw M6-1 x 16mm hex head stainless steel |
$3.96
|
1 |
|
ships same day |
8 |
275-8550
|
SWITCH, ROCKER, PRGRSV (Tennant Industrial) |
$44.34
|
1 |
|
usually ships 10-13 days |
9 |
275-5483
|
2.5amp circuit breaker |
$14.08
|
1 |
|
ships same day |
10 |
375-8441
|
Harness |
$76.01
|
1 |
|
usually ships 10-13 days |
11 |
275-5197
|
Fir tree clip |
$2.38
|
1 |
|
usually ships 10-13 days |