| # | Part | Description | Price | Req | Notes | Availability |
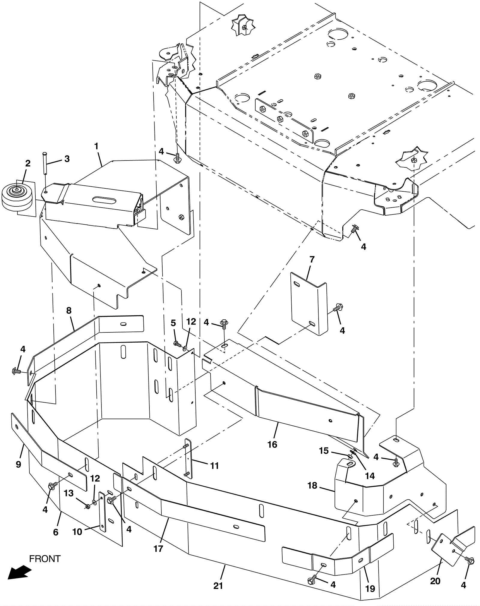
1 |
375-8407
|
Right hand bumper skirt bracket weldment |
$604.95
|
1 |
|
usually ships 10-13 days |
2 |
275-7566
|
Wheel (Tennant Industrial) |
$43.01
|
1 |
|
ships same day |
3 |
275-8362
|
PIN, CLEVIS, 0.37D X 3.25L (Tennant Industrial) |
$9.30
|
1 |
|
ships same day |
4 |
275-4736
|
Screw M8-1.25 x 20mm hex washer head stainless steel SEMS |
$4.49
|
16 |
|
ships same day |
5 |
999-1312
|
Screw M6-1 x 20mm hex head stainless steel |
$0.99
|
2 |
|
ships same day |
6 |
375-8408
|
Side brush skirt |
$52.91
|
1 |
|
usually ships 10-13 days |
7 |
375-8409
|
Skirt retaining bracket |
$40.51
|
1 |
|
usually ships 10-13 days |
8 |
375-8410
|
Skirt retaining bracket |
$50.34
|
1 |
|
usually ships 10-13 days |
9 |
375-8411
|
Skirt retaining bracket |
$86.18
|
1 |
|
usually ships 10-13 days |
10 |
375-8412
|
Skirt retainer plate |
$38.17
|
1 |
|
usually ships 10-13 days |
11 |
375-8413
|
Skirt retainer bracket weldment |
$49.61
|
1 |
|
usually ships 10-13 days |
12 |
999-0335
|
Washer 1/4 x 5/8 SAE flat stainless steel |
$0.99
|
4 |
|
ships same day |
13 |
999-0497
|
Nut M6-1 nylon insert lock stainless steel |
$0.99
|
2 |
|
ships same day |
14 |
999-0355
|
Washer 3/8 x 7/8 SAE flat stainless steel |
$0.99
|
3 |
|
ships same day |
15 |
999-0471
|
Nut M8-1.25 nylon insert lock zinc plated |
$0.99
|
3 |
|
ships same day |
16 |
375-8414
|
Front skirt bracket weldment |
$347.74
|
1 |
|
usually ships 10-13 days |
17 |
375-8415
|
Skirt retainer bracket |
$51.84
|
1 |
|
usually ships 10-13 days |
18 |
375-8416
|
Left hand skirt mounting plate weldment |
$133.36
|
1 |
|
usually ships 10-13 days |
19 |
375-8417
|
Skirt retainer bracket |
$60.51
|
1 |
|
usually ships 10-13 days |
20 |
375-8418
|
Skirt plate |
$38.17
|
1 |
|
usually ships 10-13 days |
21 |
375-8419
|
Front skirt |
$52.91
|
1 |
|
usually ships 10-13 days |