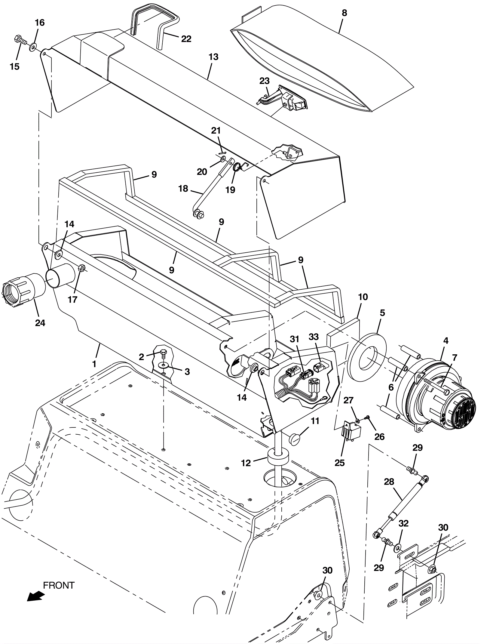
# | Part | Description | Price | Req | Notes | Availability |
1 |
375-8397
|
Filterbox weldment |
$668.80
|
1 |
|
usually ships 10-13 days |
2 |
175-8867
|
SCREW, HEX, M6 X 1.00 X 12, SS (Tennant Industrial) |
$5.67
|
6 |
|
usually ships 1-5 days |
3 |
275-0093
|
WASHER, FLAT, 0.28B 1.00D .06, STL (Tennant Industrial) |
$5.00
|
6 |
|
usually ships 10-13 days |
4a |
275-7692
|
Vacuum fan |
$288.20
|
1 |
(includes 4b) |
usually ships 10-13 days |
4b |
275-7693
|
Carbon brush (pkg of 2) |
$29.92
|
1 |
|
usually ships 10-13 days |
5 |
175-4200
|
SEAL, RBR, CLSD, 0.375, 5.0D 2.5H (Tennant Industrial) |
$10.67
|
1 |
|
usually ships 10-13 days |
6 |
375-8398
|
Tube |
$41.80
|
3 |
|
usually ships 10-13 days |
7 |
175-3399
|
Bolt M6-1 x 80mm hex head stainless steel |
$5.50
|
3 |
|
usually ships 10-13 days |
8 |
275-5809
|
Vacuum bags (pkg of 10) |
$22.11
|
1 |
|
usually ships 10-13 days |
9 |
375-4348
|
Urethane seal (Tennant Industrial) |
$42.68
|
1 |
|
usually ships 10-13 days |
10 |
375-8399
|
Foam filter |
$20.67
|
1 |
|
usually ships 10-13 days |
11 |
275-1882
|
PLUG, HOLE, RND, 1.00H .03-.12, BLK NYL (Tennant Industrial |
$4.17
|
1 |
|
usually ships 1-5 days |
12 |
375-8296
|
Foam seal |
$33.33
|
1 |
|
usually ships 10-13 days |
13 |
375-8400
|
Filterbox cover weldment |
$254.87
|
1 |
|
usually ships 10-13 days |
14 |
675-9890
|
Flanged bushing |
$6.27
|
2 |
|
ships same day |
15 |
999-0501
|
Bolt M8-1.25 x 25mm hex head full thread stainless steel |
$2.64
|
2 |
|
ships same day |
16 |
999-0355
|
Washer 3/8 x 7/8 SAE flat stainless steel |
$0.99
|
2 |
|
ships same day |
17 |
999-0496
|
Nut M8-1.25 nylon insert lock stainless steel |
$1.34
|
2 |
|
ships same day |
18 |
175-3181
|
Safety support arm |
$58.85
|
1 |
|
usually ships 10-13 days |
19 |
175-0633
|
Spring |
$5.50
|
1 |
|
usually ships 10-13 days |
20 |
999-0016
|
Washer 1/4 flat plain finish |
$0.99
|
1 |
|
ships same day |
21 |
175-6176
|
Cotter pin |
$3.30
|
1 |
|
ships same day |
22 |
275-8203
|
Molding |
$48.40
|
1 |
|
usually ships 1-5 days |
23 |
275-0047
|
Latch |
$73.48
|
1 |
|
usually ships 10-13 days |
24 |
175-9306
|
Hose cuff |
$32.45
|
1 |
|
usually ships 10-13 days |
25 |
375-4554
|
36V relay |
$34.32
|
1 |
|
ships same day |
26 |
275-2687
|
Screw M4-.7 x 10 pan head phillips (Tennant Industrial) |
$4.17
|
1 |
|
usually ships 10-13 days |
27 |
999-0412
|
Washer #8 SAE flat |
$0.99
|
1 |
|
ships same day |
28 |
675-9630
|
GASSPRING, 90LB, 3.15STRK (Tennant Industrial) |
$80.68
|
1 |
|
usually ships 10-13 days |
29 |
275-5188
|
Ball stud |
$7.37
|
2 |
|
usually ships 10-13 days |
30 |
999-0665
|
Nut M8-1.25 flange lock |
$0.99
|
2 |
|
ships same day |
31 |
375-8401
|
Wand harness |
$143.88
|
1 |
|
usually ships 10-13 days |
32 |
999-0024
|
Washer 5/16 flat stainless steel |
$1.34
|
1 |
|
usually ships 16-20 days |
33 |
275-7853
|
Diode plug (Tennant Industrial) |
$25.34
|
1 |
|
usually ships 1-5 days |