| # | Part | Description | Price | Req | Notes | Availability |
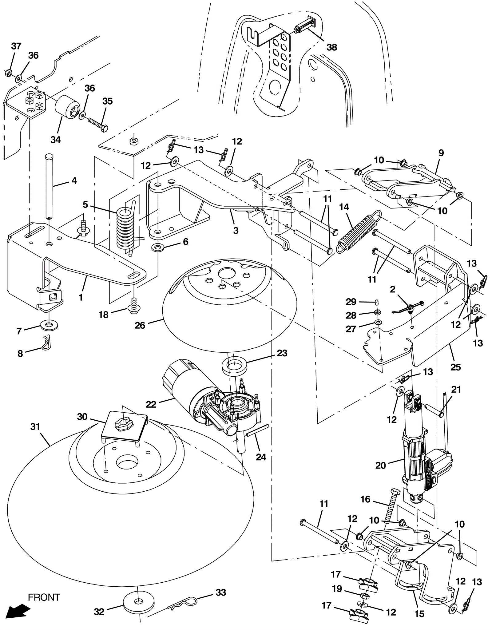
1 |
375-8383
|
Left hand brush channel bracket |
$126.83
|
1 |
|
usually ships 10-13 days |
2 |
275-5197
|
Fir tree clip |
$2.38
|
7 |
|
usually ships 10-13 days |
3 |
375-8384
|
Left hand brush pivot bracket weldment |
$198.99
|
1 |
|
usually ships 10-13 days |
4 |
175-5332
|
Clevis pin 1/2 x 6 |
$10.01
|
1 |
|
usually ships 10-13 days |
5 |
375-8269
|
Torsion spring |
$72.93
|
1 |
|
usually ships 10-13 days |
6 |
175-0939
|
Thrust washer |
$5.50
|
1 |
|
ships same day |
7 |
999-0114
|
Washer 1/2 SAE flat |
$0.99
|
1 |
|
ships same day |
8 |
175-2117
|
Cotter pin |
$5.28
|
1 |
|
usually ships 10-13 days |
9 |
375-8385
|
Left hand upper link arm weldment |
$100.21
|
1 |
|
usually ships 10-13 days |
10 |
375-7886
|
Bushing |
$28.82
|
8 |
|
usually ships 10-13 days |
11 |
375-8271
|
Clevis pin |
$22.77
|
5 |
|
usually ships 10-13 days |
12 |
999-0355
|
Washer 3/8 x 7/8 SAE flat stainless steel |
$0.99
|
8 |
|
ships same day |
13 |
375-0071
|
Cotter hair pin |
$1.98
|
6 |
|
ships same day |
14 |
375-8272
|
Extension spring |
$41.69
|
1 |
|
usually ships 10-13 days |
15 |
375-8386
|
Left hand lower link lift weldment |
$153.01
|
1 |
|
usually ships 10-13 days |
16 |
999-1155
|
Screw M8-1.25 x 60mm hex head |
$1.87
|
1 |
|
ships same day |
17 |
375-0261
|
Star knob M8-1.25 |
$10.34
|
2 |
|
ships same day |
18 |
999-9082
|
Screw M8-1.25 x 25mm hex head stainless steel |
$1.85
|
3 |
|
ships same day |
19 |
175-4006
|
Nut M8 x 1.25 hex jam |
$4.49
|
1 |
|
usually ships 10-13 days |
20 |
375-8274
|
36V actuator |
$227.70
|
1 |
|
usually ships 10-13 days |
21 |
275-0041
|
Clevis pin 5/16 x 1 3/4 inch |
$4.49
|
1 |
|
usually ships 1-5 days |
22 |
375-8387
|
36V motor |
$541.75
|
1 |
|
usually ships 10-13 days |
23 |
375-8062
|
Brush spacer |
$29.37
|
1 |
|
usually ships 10-13 days |
24 |
275-1660
|
PIN, ROLL, .250D X 2.00L, .250/.256 (Tennant Industrial) |
$5.67
|
1 |
|
usually ships 10-13 days |
25 |
375-8388
|
Left hand brush mounting motor weldment |
$161.37
|
1 |
|
usually ships 10-13 days |
26 |
375-8061
|
Brush side guard |
$100.52
|
1 |
|
ships same day |
27 |
999-0006
|
Washer 3/16 flat zinc plated |
$0.99
|
4 |
|
ships same day |
28 |
175-2894
|
Nut M5-.8 hex nylon locking |
$3.30
|
4 |
|
usually ships 10-13 days |
29 |
375-8277
|
Thread cover |
Call for price
|
4 |
|
usually ships 10-13 days |
30 |
275-7983
|
Brush adapter plate (Tennant Industrial) |
$100.19
|
1 |
|
ships same day |
31 |
675-2182
|
BRUSH, DISK, SWP, 20.0D, PYP |
$129.18
|
1 |
|
usually ships 10-13 days |
32 |
375-8278
|
Flat washer |
Call for price
|
1 |
|
usually ships 10-13 days |
33 |
175-2106
|
Cotter hair pin |
$4.49
|
1 |
|
ships same day |
34 |
575-0975
|
BUMPER, RBR, 1.5D 1.50TH 0.28H (Tennant Industrial) |
$18.34
|
1 |
|
usually ships 10-13 days |
35 |
999-0781
|
Screw M6-1 x 45mm hex head |
$0.99
|
1 |
|
ships same day |
36 |
999-0335
|
Washer 1/4 x 5/8 SAE flat stainless steel |
$0.99
|
2 |
|
ships same day |
37 |
999-0497
|
Nut M6-1 nylon insert lock stainless steel |
$0.99
|
1 |
|
ships same day |
38 |
175-5969
|
15amp circuit breaker (Tennant Industrial) |
$8.34
|
1 |
|
usually ships 10-13 days |