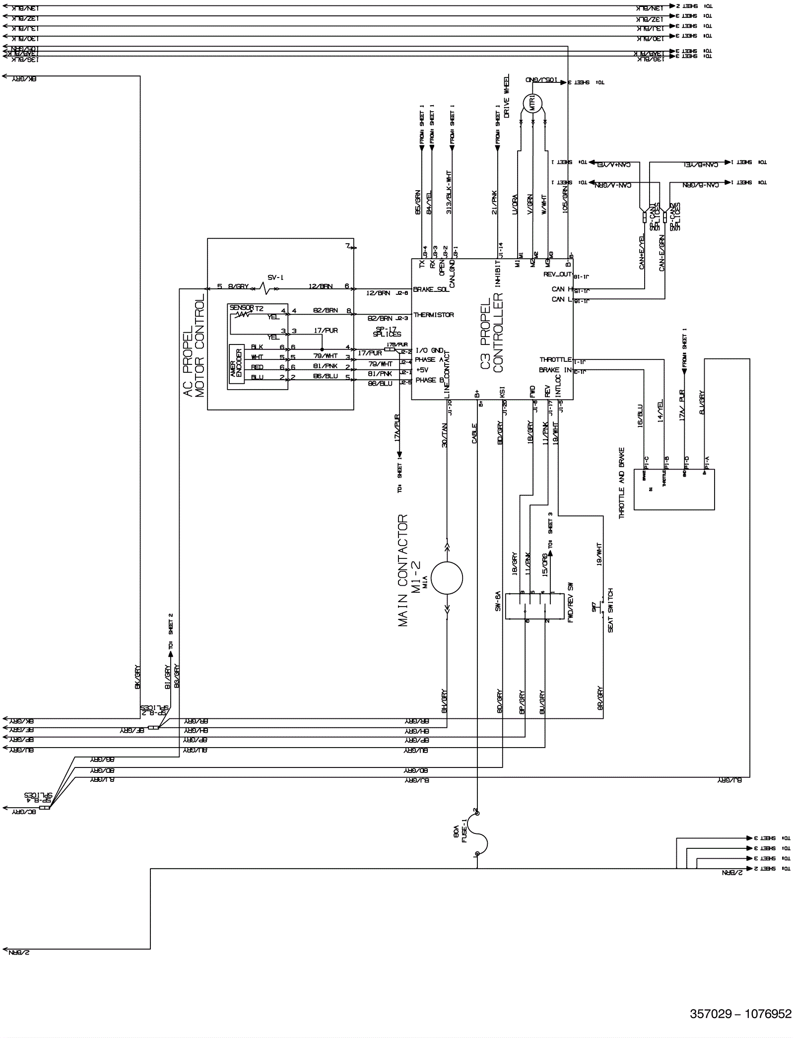
Electrical Schematic-2
Click to enlarge